Блок цилиндров и распределительный вал — [1G400000 THRU 1G499999] — купить в Victory Marine
Блок цилиндров и распределительный вал
3
4
5
6
9
10
11
12
14
16
17
18
19
22
24
25
27
28
29
30

Блок цилиндров и распределительный вал

1 072 ₽

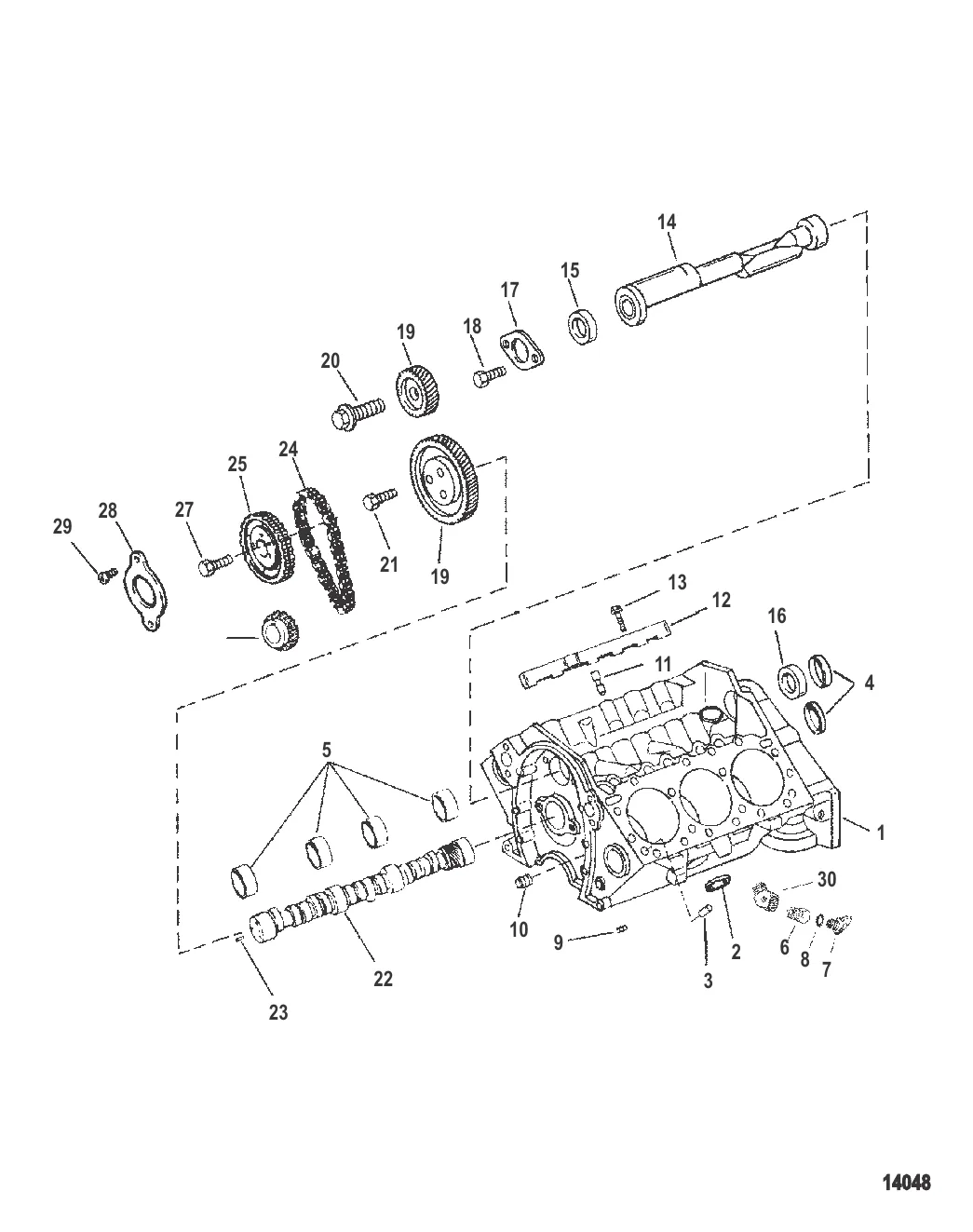
3 . ШТИФТ Штифт (0.312) Mercury 35465

FI1100750 → F141216 → 35465

608 ₽

1 166 ₽

13 082 ₽

Уточняйте

1 200 ₽

350 ₽

1 762 ₽

708 ₽

19 488 ₽

6 424 ₽

24 115 ₽

16 . BEARING-SLEEVE 8M0158199

824150 → 8M0158199

Уточняйте

Уточняйте

482 ₽

35 754 ₽

125 365 ₽

24 . ЦЕПЬ Mercury 17161T

17161 → FI1101305 → 17161T

13 301 ₽

9 413 ₽

Уточняйте

4 863 ₽

358 ₽

2 554 ₽

Полезные статьи

Все статьи →
Связаться с нами