Блок цилиндров и распределительный вал — [0M970866 & Up] — купить в Victory Marine
Блок цилиндров и распределительный вал
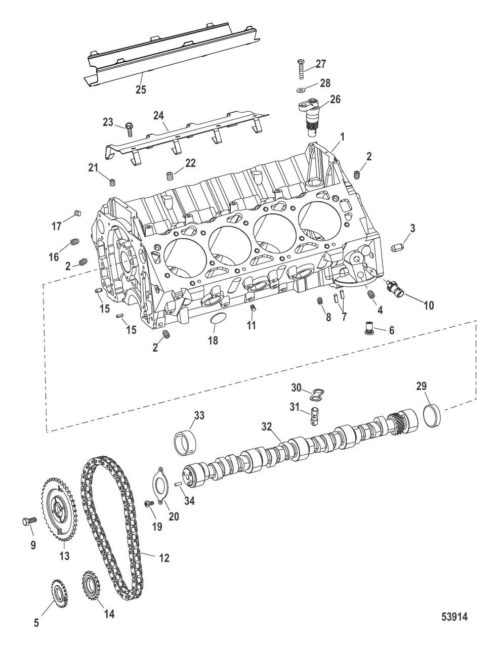
1
2
3
6
11
12
14
15
19
20
21
22
23
24
25
26
27
30
31
32
33
34

Блок цилиндров и распределительный вал

Уточняйте

2 . Заглушка 32561

48340 → 60667 → 64759 → 32561

438 ₽

523 ₽

1 000 ₽

5 593 ₽

1 054 ₽

9 . ВИНТ (0.312-18 x 0.75) Mercury 8M0043993

845942 → 35339 → 35170 → 8M0043993

237 ₽

10 . 881879T11 Датчик давления Mercruiser (QUICKSILVER)

881879011 → 881879A6 → 859210T → 859210 → 881879T11

24 990 ₽

11 . Пробка 36382

35167 → 36382

699 ₽

11 111 ₽

15 837 ₽

19 250 ₽

15 . ШТИФТ Штифт Mercury 843378

35312 → FI1100086 → 843378

1 677 ₽

16 . ПРОБКА (1/4") Mercury 8M0044324

845606 → 42534 → 881566 → 8M0044324

698 ₽

443 ₽

1 072 ₽

482 ₽

4 770 ₽

1 301 ₽

239 ₽

268 ₽

6 993 ₽

13 020 ₽

17 117 ₽

313 ₽

284 ₽

511 ₽

690 ₽

26 742 ₽

267 216 ₽

22 857 ₽

865 ₽

Полезные статьи

Все статьи →
Связаться с нами