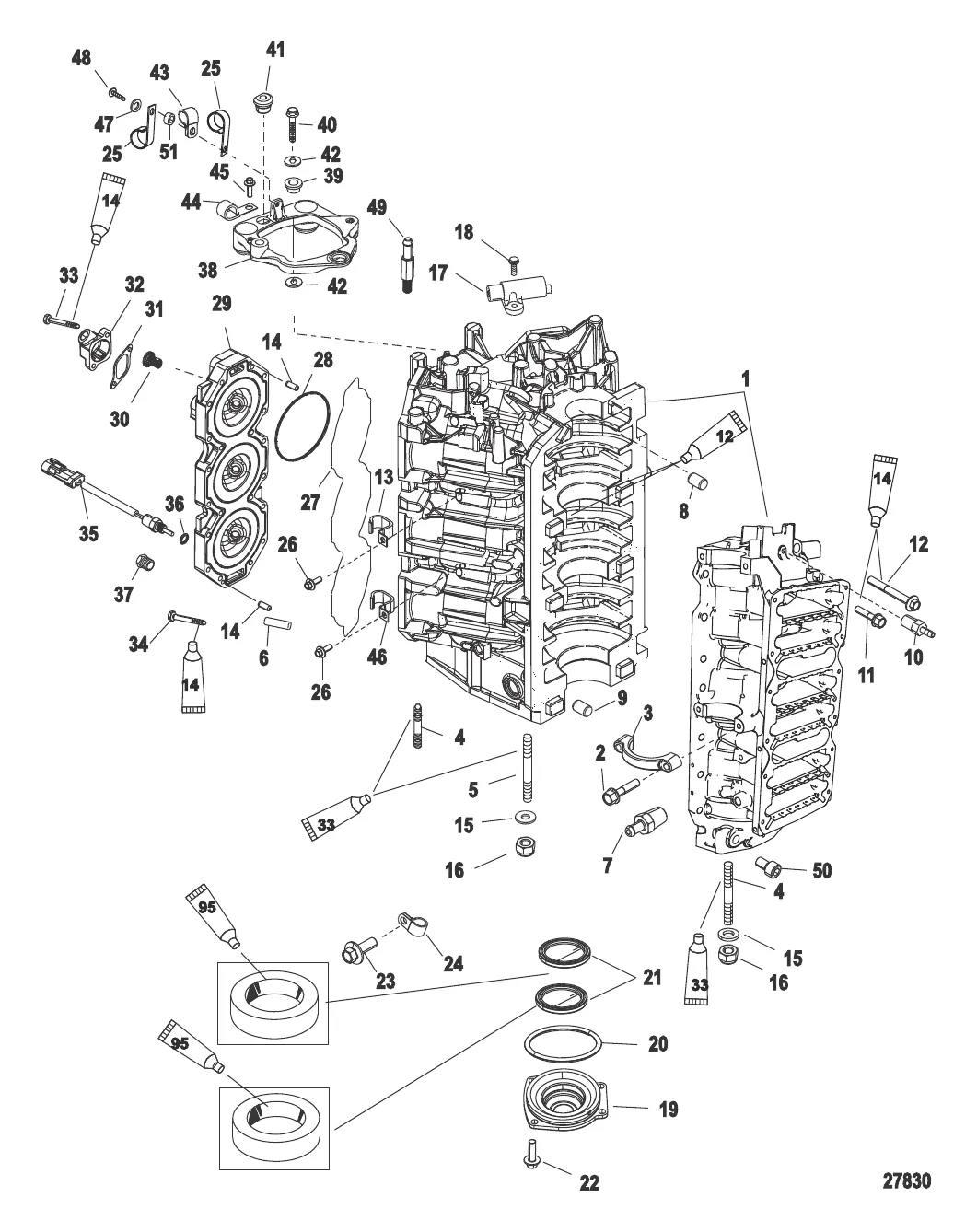
Блок цилиндров и колпачок — [1B912786 THRU 2B535571] — купить в Victory Marine
Блок цилиндров и колпачок
2
3
4
5
6
8
10
11
12
14
18
19
20
21
22
24
25
27
31
32
33
34
38
39
40
41
42
43
44
45
46
48
49
50
51

Блок цилиндров и колпачок

926 828 ₽

410 ₽

3 . крышка Mercury 8M0111325

8M0041759 → 8M0111325

8 268 ₽

2 902 ₽

5 630 ₽

6 . ОТРАЖАТЕЛЬ Mercury 8248577

8248574 → 8248572 → 8248571 → 8248577

266 ₽

7 . ОБРАТНЫЙ КЛАПАН Mercury 8781051

878105 → 432783 → 432781 → 43278 → 8781051

6 143 ₽

Уточняйте

306 ₽

968 ₽

540 ₽

1 813 ₽

626 ₽

153 ₽

1 020 ₽

15 000 ₽

321 ₽

14 666 ₽

579 ₽

4 292 ₽

219 ₽

723 ₽

25 . J-ЗАЖИМ Mercury 65292

8M0024808 → 65292

296 ₽

3 500 ₽

29 . ГОЛОВКА ЦИЛИНДРА Правый борт Mercury 858485T07

858485T6 → 858485T3 → 858485T1 → 858485T07

288 987 ₽

29 . ГОЛОВКА ЦИЛИНДРА Левый борт Mercury 858483T07

858483T6 → 858483T3 → 858483T1 → 858483T07

293 411 ₽

16 900 ₽

523 ₽

4 692 ₽

4 423 ₽

407 ₽

977 ₽

5 800 ₽

1 439 ₽

1 000 ₽

30 020 ₽

5 791 ₽

1 487 ₽

4 706 ₽

386 ₽

914 ₽

821 ₽

284 ₽

385 ₽

113 ₽

259 ₽

6 098 ₽

236 ₽

841 ₽

Полезные статьи

Все статьи →
Связаться с нами