БЛОК ЦИЛИНДРОВ И КОЛПАЧКИ — [0T409000 THRU 0T800999] - USA — купить в Victory Marine
БЛОК ЦИЛИНДРОВ И КОЛПАЧКИ
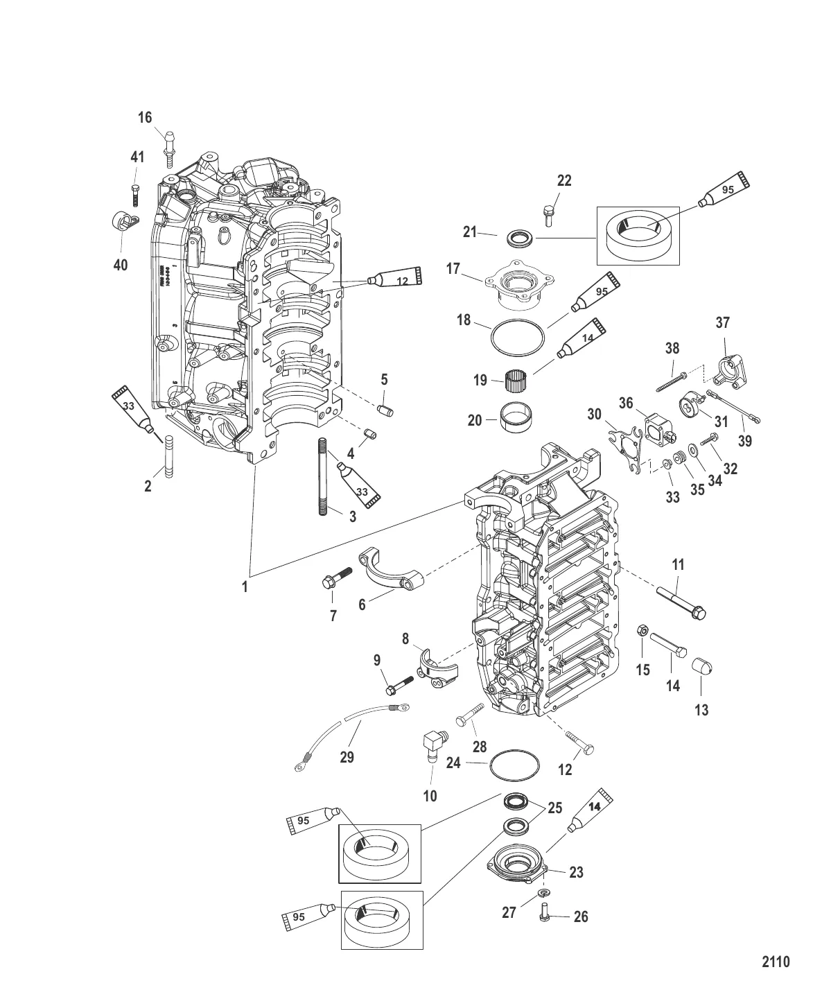
1
2
5
6
8
11
12
13
14
15
20
22
26
28
32
33
36
37
38
39
41

БЛОК ЦИЛИНДРОВ И КОЛПАЧКИ

561 187 ₽

651 331 ₽

1 536 ₽

1 362 ₽

1 781 ₽

306 ₽

5 . ШТИФТ Mercury 8M0036405

67296 → 8M0036405

462 ₽

6 . крышка Mercury 8M0111325

8M0041759 → 8M0111325

8 268 ₽

205 ₽

8 . КРЫШКА Mercury 76867

66761 → 56030 → 76867

4 193 ₽

259 ₽

2 399 ₽

631 ₽

225 ₽

565 ₽

427 ₽

15 . ГАЙКА (0.250-20) Mercury 64015

F1341 → F15051 → 64015

266 ₽

2 463 ₽

56 533 ₽

702 ₽

12 923 ₽

Уточняйте

223 ₽

40 640 ₽

579 ₽

2 500 ₽

251 ₽

109 ₽

311 ₽

407 ₽

734 ₽

292 ₽

339 ₽

36 . TPI Mercury 8M6005165

83295211 → 8M6005165

26 039 ₽

3 089 ₽

289 ₽

39 . LINK ASSY Mercury 8M0084738

8M0008117 → 8M0084738

3 170 ₽

41 . Болт 8248324

82304213 → 804368 → 8248324

194 ₽

Полезные статьи

Все статьи →
Связаться с нами