Блок цилиндра Масляный насос и натяжное устройство распределительного механизма — 3.0L VM 270 V6 IB — купить в Victory Marine
Блок цилиндра Масляный насос и натяжное устройство распределительного механизма
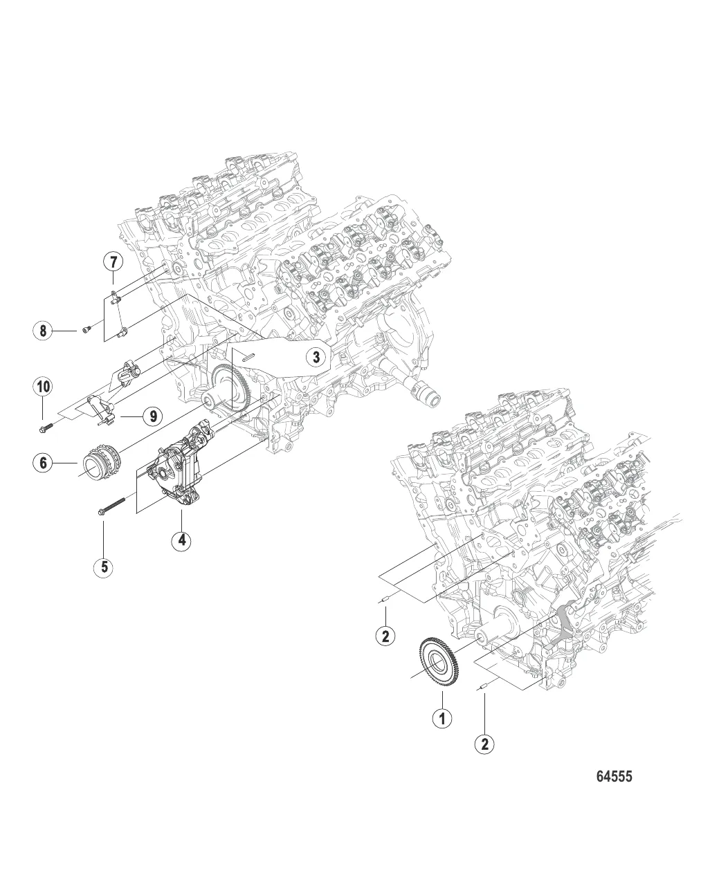
1
2
3
4
5
6
7
8
9
10

Блок цилиндра Масляный насос и натяжное устройство распределительного механизма

1 . GEAR 8M0129890

8M0129890

Уточняйте

277 ₽

3 . KEY 8M0129701

8M0129701

Уточняйте

63 392 ₽

Уточняйте

Уточняйте

Уточняйте

8 . ВИНТ Mercury 898101564

896332074 → 898101564

99 ₽

Уточняйте

10 . ВИНТ Mercury 898101619

879283 → 898101619

65 ₽

Полезные статьи

Все статьи →
Связаться с нами