Блок цилиндра Корпус маховика — 3.0L VM 230 V6 SD — купить в Victory Marine
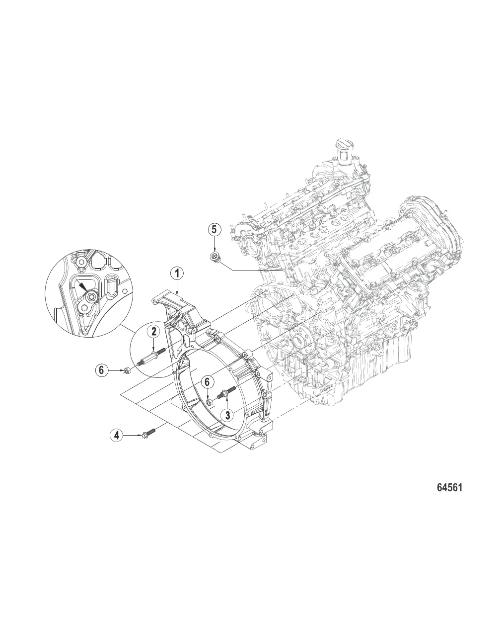
Блок цилиндра Корпус маховика
1
2
3
4
5
6

Блок цилиндра Корпус маховика

Уточняйте

Уточняйте

Уточняйте

4 . ВИНТ Mercury 898101566

879150079 → 898101566

131 ₽

Уточняйте

6 . NUT 8M0129777

896332192 → 8M0129777

426 ₽

Полезные статьи

Все статьи →
Обслуживание и ремонт

Ремкомплекты водяной помпы Mercury — состав, артикулы и замена

Разбираем ремкомплекты водяной помпы Mercury: что входит в комплект, артикулы для популярных моторов и пошаговый обзор процесса замены.

1 мин.
Обслуживание и ремонт

Электросхема лодочного мотора Mercury: популярные модели

Подробный разбор электросхем лодочных моторов Mercury — от простых 9.9/15 двухтактных до мощных 150-200 четырёхтактных. Цветовая маркировка проводов, система зажигания, зарядки и запуска. Диагностика мультиметром, типичные неисправности и когда пора к электрику.

3 мин.
Гайды и подбор

Пропорция масла и бензина для двухтактного лодочного мотора — таблица

Полная таблица пропорций масла и бензина для двухтактных лодочных моторов Yamaha, Mercury, Tohatsu, Honda. Что будет, если перелить или недолить масло, и какое масло TC-W3 выбрать.

1 мин.
Связаться с нами