Популярные города
Товаров не найдено, но мы можем привезти под заказ
Нет аккаунта?
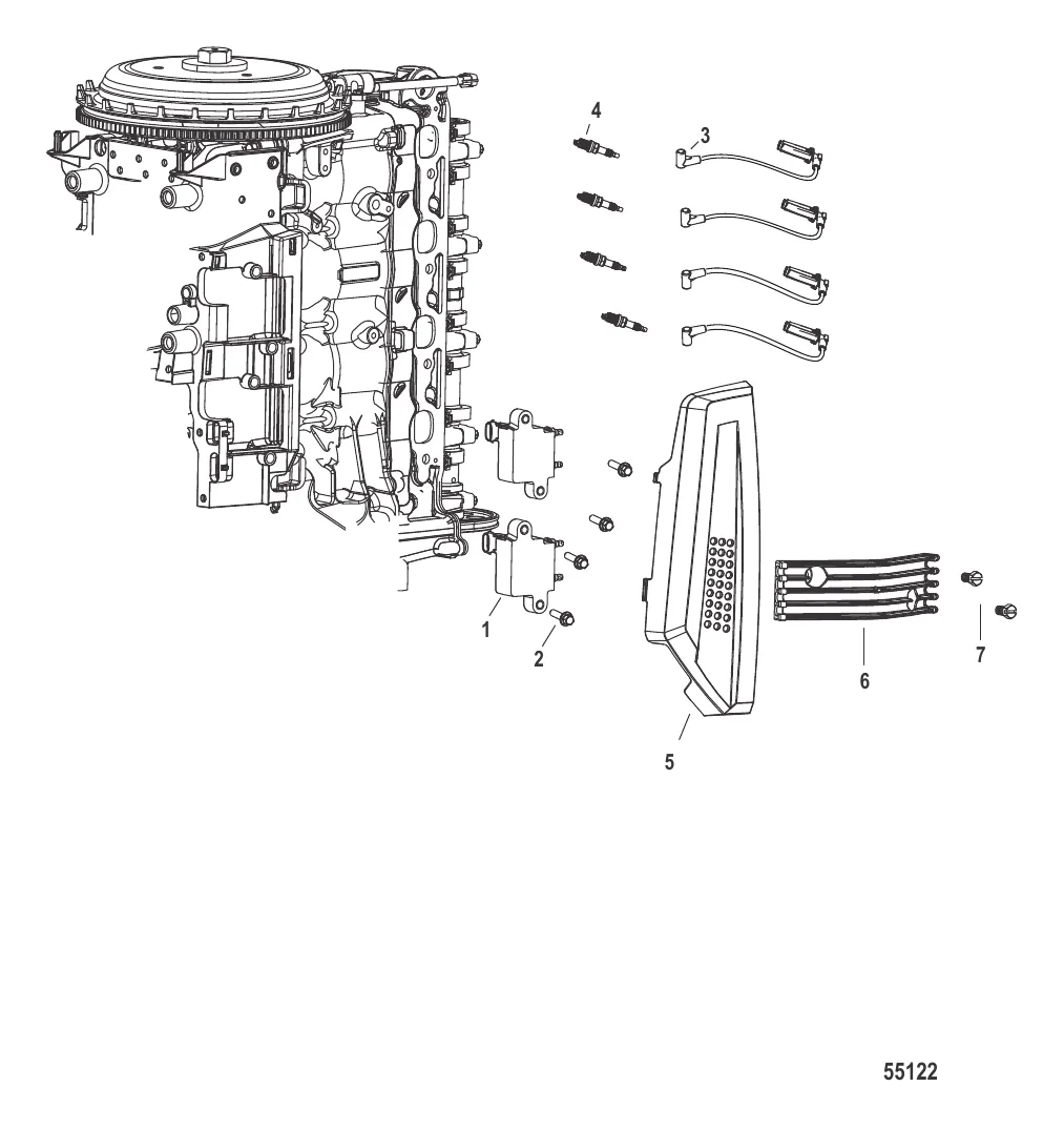
8M0044991 Катушка зажигания Mercury F35-F150
8M0044991
ВИНТ (M6 x 25 мм), нержавеющая сталь Mercury 8M0103807
8M0103807
8M0088014 Комплект броне провода Mercury 75-115
8M0088014
8m0204728 8M0057936 СВЕЧА ЗАЖИГАНИЯ NGK ZFR5F 8M0176692
8M0057936
COVER COIL 8M0163125
8M0077655 → 8M0163125
ЛОТОК Вывод высокого напряжения Mercury 8M0060350
8M0060350
ВИНТ Нейлон, нажимн. Mercury 8M0037204
8M0037204
11 000 ₽
369 ₽
11 500 ₽
1 100 ₽
2 252 ₽
413 ₽
756 ₽
Пошаговая инструкция по расконсервации подвесного мотора после зимы: осмотр, масло, свечи, топливо, аккумулятор, первый запуск и тест-драйв. Чек-лист для печати.
Лодочный мотор заводится, но глохнет на холостых? Разбираем пошаговый алгоритм диагностики: от топливной системы и зажигания до регулировки холостого хода и типичных болезней моторов Mercury.
Как организовать электропитание на лодке: подключение к генератору мотора Mercury, розетки, зарядка аккумулятора и электроника.
Контакты
+7 800 555-65-49
Бесплатно по России — нажмите, чтобы позвонить
Написать нам
Перезвоните мне
Оставьте номер — наш эксперт перезвонит и подберёт нужные запчасти
Нажимая кнопку, вы соглашаетесь на обработку персональных данных
Наш эксперт свяжется с вами в ближайшее время
Скидка будет применена к вашему заказу