ЗАКРЫТАЯ СИСТЕМА ОХЛАЖДЕНИЯ — 7.4l MIE W/B/W GM 454 V-8 — купить в Victory Marine
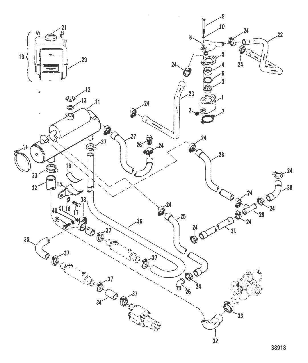
ЗАКРЫТАЯ СИСТЕМА ОХЛАЖДЕНИЯ
1
2
4
5
6
8
9
12
13
14
15
16
17
18
20
21
22
23
27
29
30
32
35
36
38
39
40
41

ЗАКРЫТАЯ СИСТЕМА ОХЛАЖДЕНИЯ

50 468 ₽

Уточняйте

3 . Термостат 60C Mercruiser 4.5L 8M0089715

807252T1 → 8072521 → 8052731 → 59137 → 35884 → 32728 → 8M0089715

3 744 ₽

2 245 ₽

357 ₽

343 ₽

14 820 ₽

9 . ВИНТ (0.375-16 x 3.50) Mercury 48115

F2267 → FI3000164 → 48115

Уточняйте

1 710 ₽

394 ₽

14 . Хомут 815504372

31765 → 815504372

1 821 ₽

4 020 ₽

Уточняйте

Уточняйте

Уточняйте

Уточняйте

17 508 ₽

15 . кронштейн Mercury 44445A3

44445A2 → 44445A1 → 44445A3

Уточняйте

Уточняйте

740 ₽

258 ₽

287 ₽

171 ₽

18 . Шайба 35048

37459 → 27969 → 35048

171 ₽

14 023 ₽

20 . БАЧОК Пластик Mercury 71587A11

71587A7 → 71587 → 71587A11

11 929 ₽

21 . ПРОБКА Mercury 72058

898101421 → 72058

1 179 ₽

Уточняйте

8 642 ₽

5 429 ₽

9 983 ₽

5 919 ₽

3 951 ₽

Уточняйте

4 794 ₽

1 225 ₽

11 454 ₽

11 927 ₽

1 109 ₽

15 569 ₽

8 763 ₽

4 170 ₽

17 079 ₽

21 725 ₽

989 ₽

Уточняйте

109 ₽

216 ₽

208 ₽

Полезные статьи

Все статьи →
Связаться с нами