Выхлопной коллектор и пластина выхлопа — [5600162 THRU 0A904645] - Cat.# 90-818855 — купить в Victory Marine
Выхлопной коллектор и пластина выхлопа
2
3
4
5
6
7
8
9
10
11
12
13
14
15
16
17
18
21
22
23
25
27
28
29
30
32
33
34
35

Выхлопной коллектор и пластина выхлопа

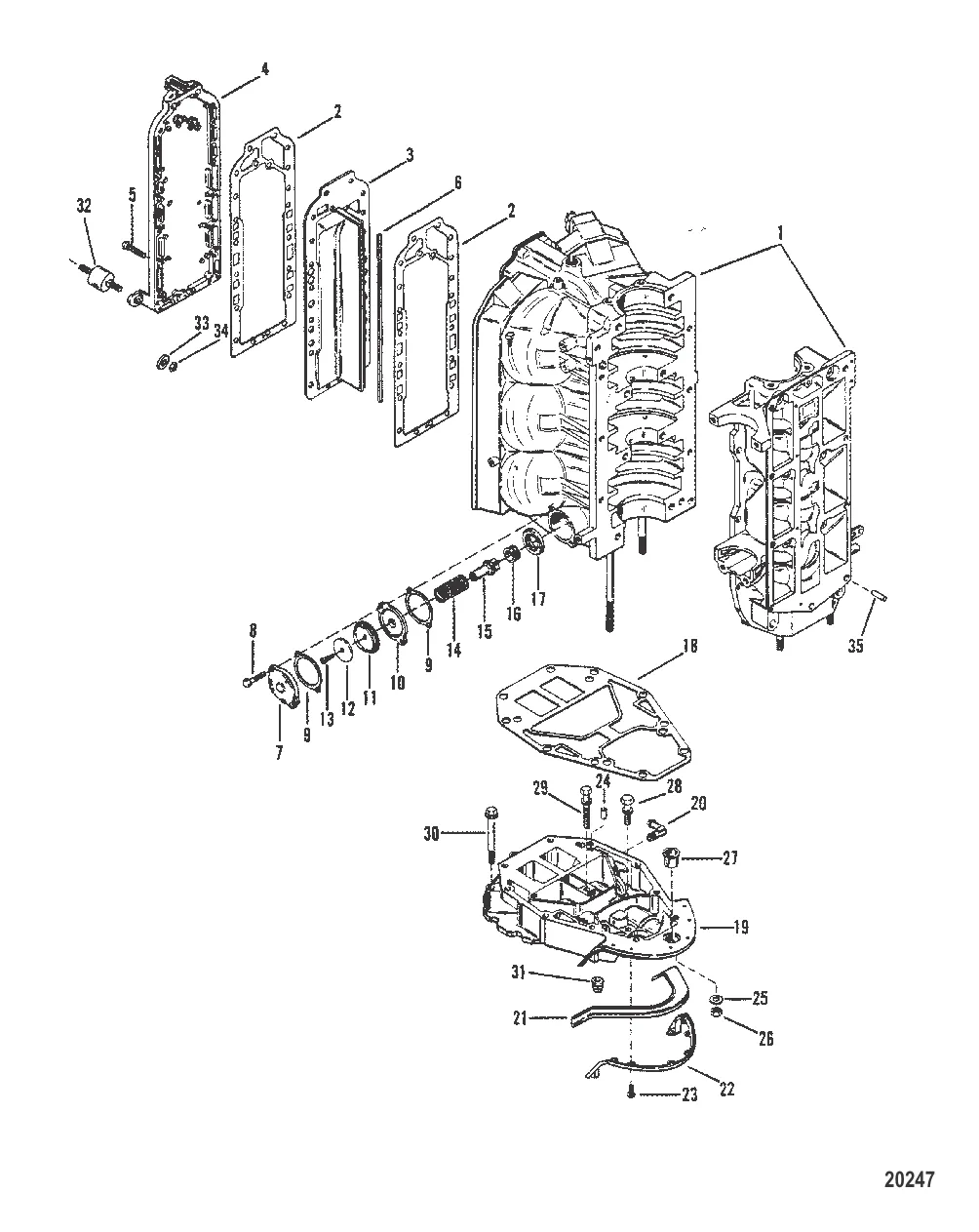
1 . блок цилиндров Mercury 8711T19

8711A19 → 8711A10 → 8711A5 → 8353A3 → 8711T19

Уточняйте

1 . БЛОК ЦИЛИНДРА Mercury 8133A3

7789A3 → 7486A2 → 6486A2 → 8133A3

Уточняйте

2 561 ₽

2 . ПРОКЛАДКА Mercury 904841

90484 → 87396 → 904841

3 326 ₽

Уточняйте

3 . PLATE Mercury 87321T

87321 → 87321T

42 587 ₽

24 389 ₽

Уточняйте

225 ₽

116 ₽

1 217 ₽

7 . КРЫШКА Mercury 8M0039767

687291 → 8M0039767

9 160 ₽

10 242 ₽

383 ₽

383 ₽

401 ₽

Уточняйте

4 824 ₽

1 077 ₽

310 ₽

223 ₽

902 ₽

1 122 ₽

400 ₽

385 ₽

18 . ПРОКЛАДКА Mercury 997761

99776 → 96440 → 997761

1 937 ₽

7 746 ₽

19 . ПЛАСТИНА В СБОРЕ Mercury 41944A5

41944A2 → 41944A1 → 99172A1 → 78065A1 → 41944A5

Уточняйте

Уточняйте

298 ₽

Уточняйте

1 490 ₽

23 . Болт 48408

F2209 → 48408

256 ₽

306 ₽

171 ₽

26 . ГАЙКА (0.375-24), латунь Mercury 8M0042636

826709113 → 34863 → 20509 → 8M0042636

Уточняйте

529 ₽

376 ₽

823 ₽

1 367 ₽

31 . УПЛОТНИТЕЛЬНОЕ КОЛЬЦО Mercury 12602002

126021 → 12602 → 97000 → 12602002

604 ₽

8 986 ₽

1 030 ₽

34 . Гайка 8267089

20361 → 98451 → 8267089

140 ₽

35 . Клапан 42657A3

42657A1 → 56011A2 → 56011A1 → 42657A3

1 103 ₽

Полезные статьи

Все статьи →
Связаться с нами