ВЫХЛОПНОЙ КОЛЛЕКТОР И ПЛАСТИНА ВЫХЛОПА — [0B117316 & Up] - USA — купить в Victory Marine
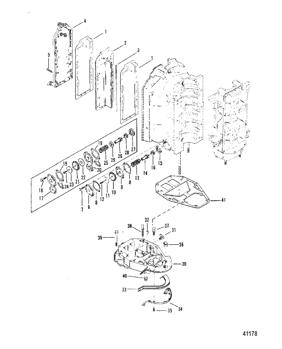
ВЫХЛОПНОЙ КОЛЛЕКТОР И ПЛАСТИНА ВЫХЛОПА
1
2
3
4
6
7
8
9
10
14
17
18
19
20
21
22
23
24
25
26
27
28
29
33
34
35
36
37
38
39
41

ВЫХЛОПНОЙ КОЛЛЕКТОР И ПЛАСТИНА ВЫХЛОПА

1 . ПРОКЛАДКА Mercury 904841

90484 → 87396 → 904841

3 326 ₽

2 . ПЛАСТИНА Mercury 99169A1

99169 → 87323 → 99169A1

18 031 ₽

1 217 ₽

24 389 ₽

10 242 ₽

383 ₽

401 ₽

4 824 ₽

1 077 ₽

1 122 ₽

Уточняйте

225 ₽

383 ₽

7 044 ₽

2 498 ₽

431 ₽

310 ₽

223 ₽

902 ₽

1 473 ₽

400 ₽

385 ₽

207 ₽

30 . ПЛАСТИНА В СБОРЕ Mercury 41944A5

41944A2 → 41944A1 → 99172A1 → 78065A1 → 41944A5

Уточняйте

298 ₽

306 ₽

Уточняйте

1 490 ₽

35 . Болт 48408

F2209 → 48408

256 ₽

529 ₽

376 ₽

823 ₽

1 367 ₽

40 . УПЛОТНИТЕЛЬНОЕ КОЛЬЦО Mercury 12602002

126021 → 12602 → 97000 → 12602002

604 ₽

5 000 ₽

Полезные статьи

Все статьи →
Связаться с нами