Выхлопной коллектор — [2B550139 & Up] — купить в Victory Marine
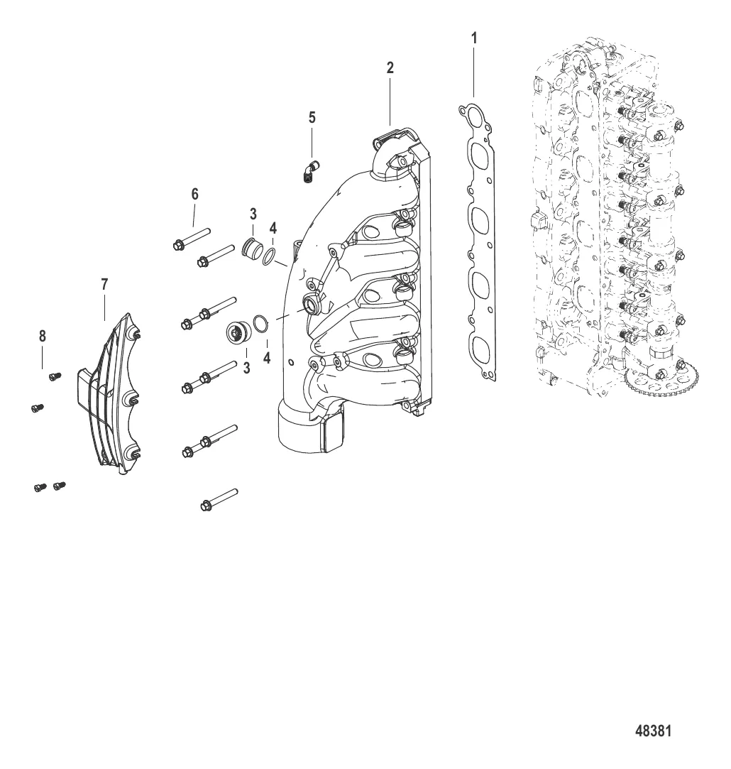
Выхлопной коллектор
3
4
5
6
8

Выхлопной коллектор

2 701 ₽

79 100 ₽

457 ₽

Уточняйте

371 ₽

6 . винт @2 Mercury 8M0103817

88552660 → 8M0103817

654 ₽

1 227 ₽

756 ₽

Полезные статьи

Все статьи →
Гайды и подбор

Карты глубин для рыбалки — приложения, сервисы, как читать рельеф

Карта глубин — это шпаргалка, которая экономит часы поиска рыбы. Разбираем бесплатные и платные сервисы, учимся читать подводный рельеф и находить перспективные точки ещё до выхода на воду.

1 мин.
Сравнения и обзоры

Оригинальные запчасти Mercury или аналоги — стоит ли переплачивать

Разбираем где ставить только оригинал Mercury, а где качественный аналог работает не хуже. Конкретные примеры с ценами — свечи, импеллеры, масло, фильтры.

1 мин.
Гайды и подбор

Что проверяет ГИМС при остановке на воде — памятка судоводителю

Остановка инспектором ГИМС — стандартная процедура, а не повод для паники. Разбираем, что имеет право проверять инспектор, какие документы и снаряжение должны быть на борту и какие штрафы грозят за нарушения.

1 мин.
Связаться с нами