Выносная масляная система — [0M970866 & Up] — купить в Victory Marine
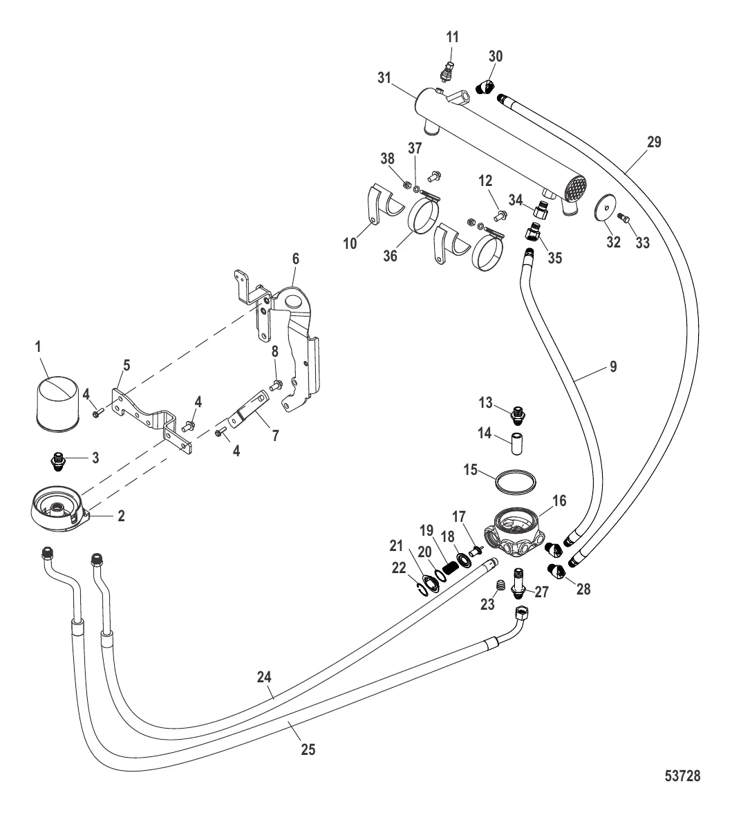
Выносная масляная система
3
5
6
7
8
9
10
13
14
16
17
18
19
20
21
22
23
24
25
27
29
34

Выносная масляная система

17 564 ₽

1 349 ₽

23 226 ₽

44 507 ₽

7 864 ₽

464 ₽

12 533 ₽

30 596 ₽

61 989 ₽

11 . 881879T11 Датчик давления Mercruiser (QUICKSILVER)

881879011 → 881879A6 → 859210T → 859210 → 881879T11

24 990 ₽

996 ₽

3 122 ₽

9 429 ₽

569 ₽

71 414 ₽

85 870 ₽

Уточняйте

6 166 ₽

449 ₽

20 . Кольцо 864701

47632 → 864701

374 ₽

21 . крышка Mercury 8M0096522

8161651 → 8M0096522

3 804 ₽

3 100 ₽

23 . Заглушка 32561

48340 → 60667 → 64759 → 32561

438 ₽

18 976 ₽

23 489 ₽

14 664 ₽

15 270 ₽

174 272 ₽

3 061 ₽

6 701 ₽

5 247 ₽

152 ₽

879 ₽

Полезные статьи

Все статьи →
Связаться с нами