ВСАСЫВАЮЩИЙ КОЛЛЕКТОР И БЛОК С ПЛАСТИНЧАТЫМИ КЛАПАНАМИ — [0G290585 THRU 0G589999] - USA — купить в Victory Marine
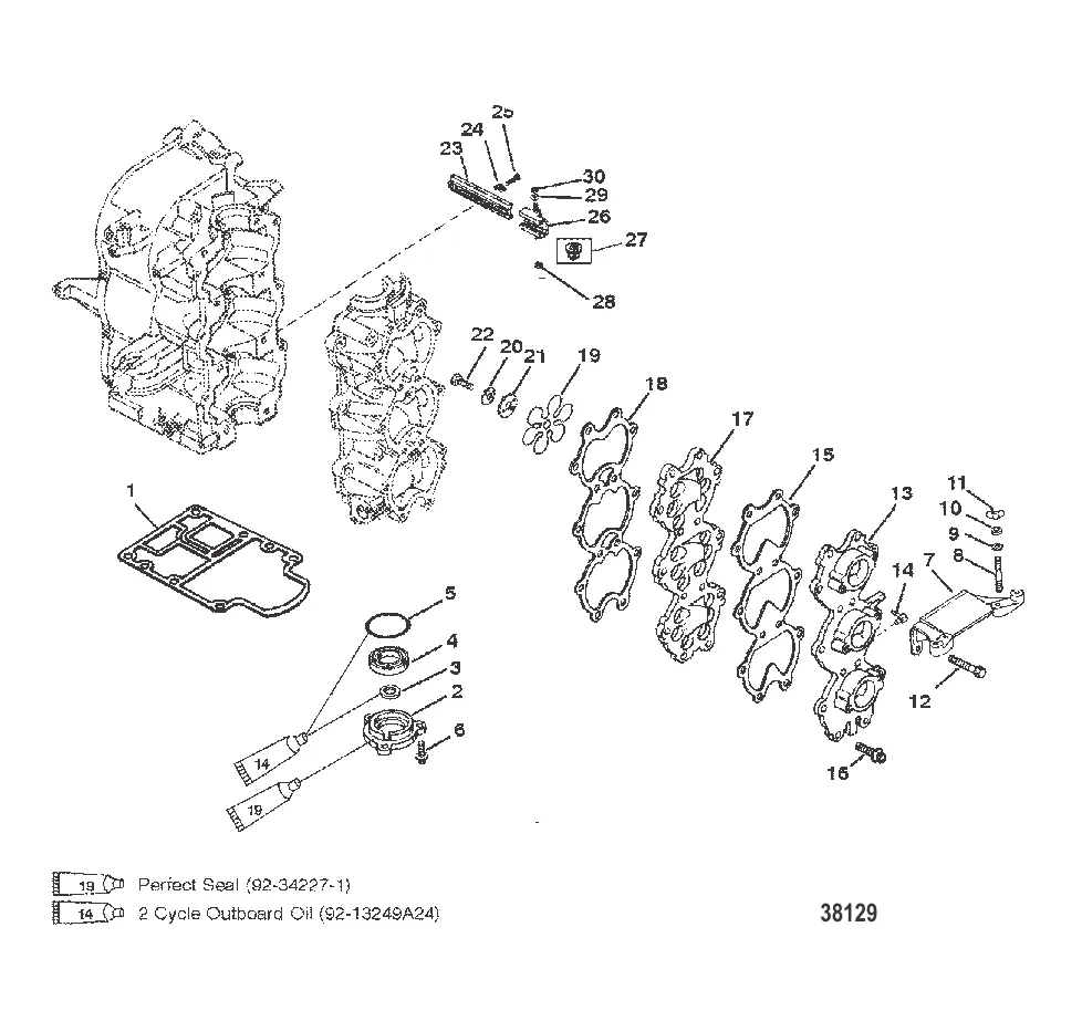
ВСАСЫВАЮЩИЙ КОЛЛЕКТОР И БЛОК С ПЛАСТИНЧАТЫМИ КЛАПАНАМИ
3
5
6
8
11
14
15
16
18
19
20
22
24
25
26
27
29
30

ВСАСЫВАЮЩИЙ КОЛЛЕКТОР И БЛОК С ПЛАСТИНЧАТЫМИ КЛАПАНАМИ

1 811 ₽

2 . 9812T9 Торцевая крышка нижняя Mercury

9812A9 → 9812A7 → 9812A2 → 9812T9

17 490 ₽

3 . Сальник 66301

56741 → 66301

3 128 ₽

2 500 ₽

5 . Кольцо 8M0142854

896523 → 8M0142854

55 ₽

670 ₽

6 748 ₽

1 610 ₽

77 ₽

261 ₽

290 ₽

12 . ВИНТ (M8 x 35 мм) Mercury 82127335

81742735 → 4011135 → 82127335

316 ₽

Уточняйте

1 683 ₽

1 453 ₽

152 ₽

Уточняйте

1 454 ₽

19 . Клапан 812880A03

812880A1 → 812880A03

2 453 ₽

472 ₽

952 ₽

157 ₽

972 ₽

133 ₽

5 084 ₽

384 ₽

224 ₽

442 ₽

Полезные статьи

Все статьи →
Связаться с нами