Всасывающий коллектор и блок с пластинчатыми клапанами — [0T980000 THRU 0T999999] - USA — купить в Victory Marine
Всасывающий коллектор и блок с пластинчатыми клапанами
3
4
8
9
10
12
13
14
16
17
18
20
21
22
24
25
26
27
28
29
30
31
32
33
34
36
37
38
41

Всасывающий коллектор и блок с пластинчатыми клапанами

42 312 ₽

5 767 ₽

5 709 ₽

298 ₽

972 ₽

133 ₽

5 084 ₽

224 ₽

442 ₽

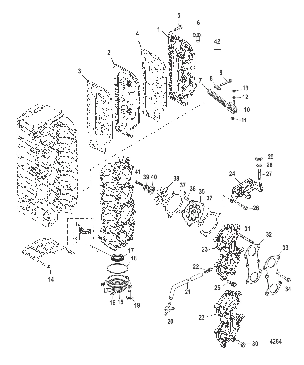
14 . ПРОКЛАДКА Mercury 430075

430073 → 43007 → 430075

1 440 ₽

35 996 ₽

2 742 ₽

2 352 ₽

597 ₽

273 ₽

9 343 ₽

4 268 ₽

1 326 ₽

Уточняйте

1 886 ₽

25 . ВИНТ (M8 x 35 мм) Mercury 82127335

81742735 → 4011135 → 82127335

316 ₽

291 ₽

1 610 ₽

77 ₽

290 ₽

976 ₽

977 ₽

32 . ПРОКЛАДКА Mercury 134612

13461 → 134611 → 134612

1 542 ₽

4 057 ₽

297 ₽

Уточняйте

Уточняйте

37 . ПРОКЛАДКА Mercury 139376

139374 → 139372 → 13937 → 139376

601 ₽

7 037 ₽

239 ₽

2 158 ₽

2 159 ₽

Полезные статьи

Все статьи →
Связаться с нами