ВПУСКНОЙ КОЛЛЕКТОР И ПЕРЕДНЯЯ КРЫШКА — 1993-1995 [0F000878 THRU 0F601126] — купить в Victory Marine
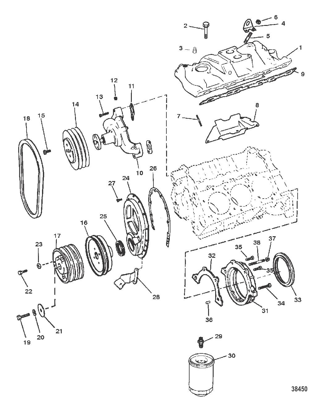
ВПУСКНОЙ КОЛЛЕКТОР И ПЕРЕДНЯЯ КРЫШКА
1
2
3
4
5
6
8
9
10
12
13
14
15
16
19
20
21
22
23
24
25
26
27
28
29
31
33
34
35
36
37
38

ВПУСКНОЙ КОЛЛЕКТОР И ПЕРЕДНЯЯ КРЫШКА

100 925 ₽

88 467 ₽

715 ₽

2 . ВИНТ Mercury 802655

11975 → 802655

308 ₽

1 094 ₽

Уточняйте

2 316 ₽

300 ₽

6 . ГАЙКА (.375-16) Mercury 32219

28517 → 33249 → 32219

290 ₽

Уточняйте

11 765 ₽

32 243 ₽

390 ₽

915 ₽

Уточняйте

13 . Болт 32132

35788 → 35343 → 32132

311 ₽

316 ₽

Уточняйте

25 899 ₽

109 ₽

Уточняйте

18 482 ₽

4 615 ₽

385 ₽

20 . Шайба 39131

FI1100158 → 39131

109 ₽

21 . ШАЙБА Mercury 35332001

35332 → FI1100101 → F3739422 → 35332001

1 638 ₽

516 ₽

289 ₽

Уточняйте

25 . Сальник 97335

11973 → 97335

6 869 ₽

743 ₽

27 . ВИНТ Mercury 8M0040582

35366 → 14762 → 8M0040582

1 705 ₽

28 . СТРЕЛКА Mercury 75435A1

FI1101059 → 75435A1

2 492 ₽

4 104 ₽

1 600 ₽

32 377 ₽

1 600 ₽

2 896 ₽

34 . БОЛТ Mercury 8M0064241

14243 → 8M0064241

552 ₽

2 625 ₽

530 ₽

37 . ГАЙКА Mercury 11996

FI1101239 → 11996

1 462 ₽

1 720 ₽

Полезные статьи

Все статьи →
Связаться с нами