ВПУСКНОЙ КОЛЛЕКТОР — [680-348706 & Up] - USA — купить в Victory Marine
ВПУСКНОЙ КОЛЛЕКТОР
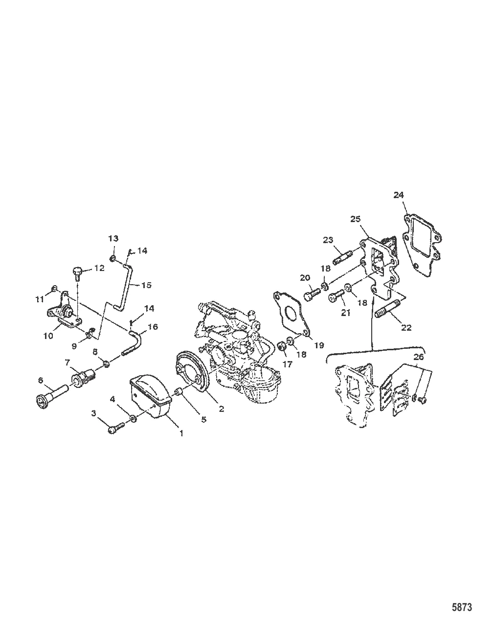
1
2
3
4
5
6
7
8
9
10
11
12
13
14
15
16
17
18
19
20
21
22
23
24
25
26

ВПУСКНОЙ КОЛЛЕКТОР

Уточняйте

Уточняйте

3 . ВИНТ Mercury 83108M

82521M → 83108M

Уточняйте

4 . ШАЙБА Mercury 82211M

82196M → 82211M

529 ₽

Уточняйте

Уточняйте

291 ₽

Уточняйте

9 . Защелка 16333

163331 → 16333

386 ₽

Уточняйте

Уточняйте

12 . БОЛТ Mercury 91772M

813477M → 84303M → 82421M → 91772M

140 ₽

13 . ШАЙБА Mercury 82933M

82192M → 82933M

Уточняйте

Уточняйте

Уточняйте

Уточняйте

164 ₽

18 . ШАЙБА Mercury 82214M

82199M → 82214M

22 ₽

1 180 ₽

20 . БОЛТ Mercury 82423M

82451M → 82423M

Уточняйте

Уточняйте

Уточняйте

Уточняйте

149 ₽

Уточняйте

Уточняйте

Полезные статьи

Все статьи →
Связаться с нами