Установка тарельчатого клапана/термостата — [0T801000 THRU 1B226999] - USA — купить в Victory Marine
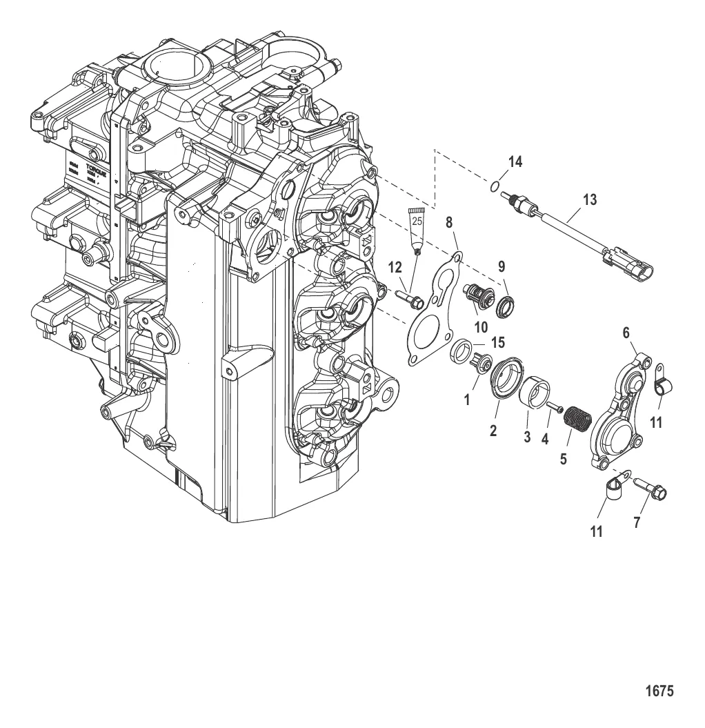
Установка тарельчатого клапана/термостата
1
2
3
4
5
6
7
8
9
10
11
12
15

Установка тарельчатого клапана/термостата

1 262 ₽

1 387 ₽

387 ₽

223 ₽

511 ₽

6 . крышка Mercury 8M0036780

879854 → 8M0036780

14 243 ₽

7 . ВИНТ (M8 x 35 мм) Mercury 82127335

81742735 → 4011135 → 82127335

316 ₽

1 169 ₽

9 . Прокладка 62386001

62386 → 62386B → 62386001

221 ₽

5 539 ₽

573 ₽

284 ₽

5 800 ₽

1 439 ₽

1 679 ₽

Полезные статьи

Все статьи →
Связаться с нами