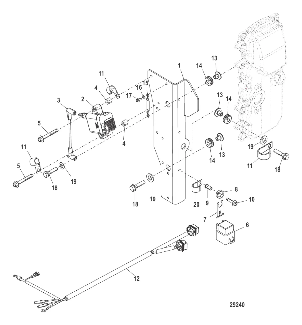
2
3
6
Установка катушки зажигания 1C104423/0P560349 и ниже
9 055 ₽
2
2 . Катушка зажигания Mercury 40 / 50 / 60 EFI / 75 -125 DFI 8M0077471
879984T01 → 879984A1 → 8M0077471
31 593 ₽
3
3 . 881908T Высоковольтные провода Mercury 40-60 (optimax) ( QUICKSILVER )
821945T74 → 821945T65 → 881908T
4 500 ₽
Уточняйте
444 ₽
6
6 . 882751A1 Реле трима (Power Trim Relay) Mercury / MerCruiser 8M0207773
828151A1 → 828151 → 882751A1
3 600 ₽
575 ₽
392 ₽
140 ₽
383 ₽
164 ₽
20 714 ₽
734 ₽
339 ₽
2 502 ₽
113 ₽
239 ₽
369 ₽
46 ₽
296 ₽