ТРАНСМИССИЯ И СВЯЗАННЫЕ ДЕТАЛИ — 1997 [0K040400 THRU 0K999999] — купить в Victory Marine
ТРАНСМИССИЯ И СВЯЗАННЫЕ ДЕТАЛИ
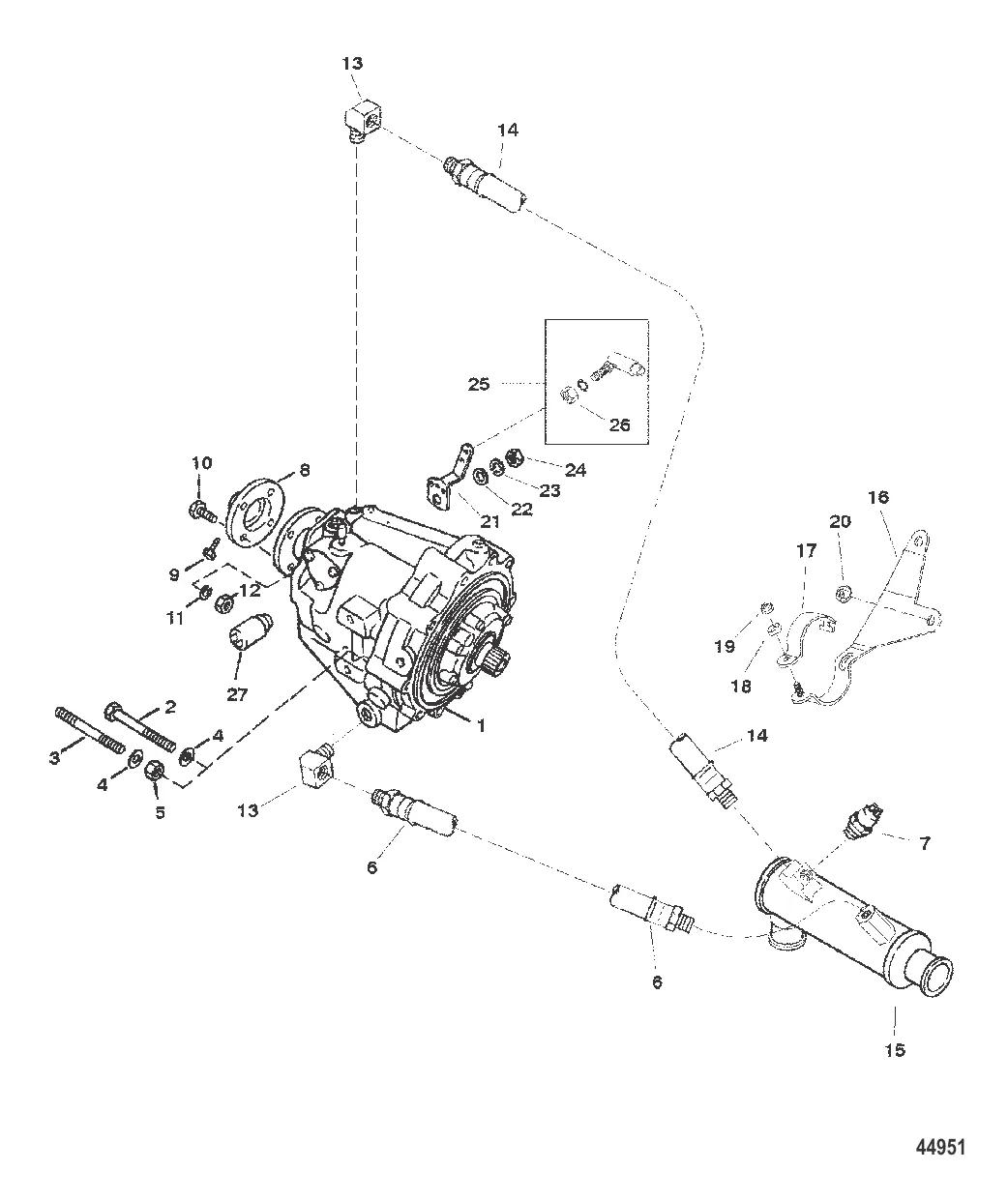
1
2
3
4
5
6
7
9
11
12
13
14
15
16
17
19
21
22
23
24
26
27

ТРАНСМИССИЯ И СВЯЗАННЫЕ ДЕТАЛИ

973 900 ₽

563 ₽

1 466 ₽

171 ₽

313 ₽

9 461 ₽

17 093 ₽

Уточняйте

1 441 ₽

400 ₽

11 . Шайба 35048

37459 → 27969 → 35048

171 ₽

12 . ГАЙКА (.375-16) Mercury 32219

28517 → 33249 → 32219

290 ₽

2 258 ₽

17 016 ₽

69 840 ₽

12 017 ₽

2 723 ₽

258 ₽

224 ₽

636 ₽

5 619 ₽

792 ₽

134 ₽

300 ₽

4 404 ₽

26 . Гайка 8267089

20361 → 98451 → 8267089

140 ₽

44 930 ₽

Полезные статьи

Все статьи →
Связаться с нами