Транец и поворотные кронштейны (Вручн.) — [0N000513 THRU 0N056164] — купить в Victory Marine
Транец и поворотные кронштейны (Вручн.)
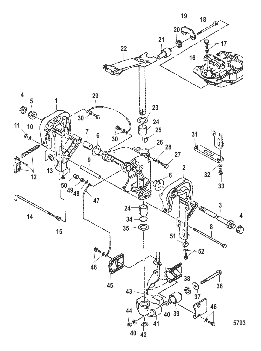
1
2
3
4
5
6
7
8
9
11
13
14
15
16
17
18
19
20
21
22
24
25
26
27
28
29
30
31
32
33
34
35
36
37
38
39
40
42
43
44
45
46
47
49
50
51
52

Транец и поворотные кронштейны (Вручн.)

1 . CLAMP BRKT STBD 8M0151529

8M0082474 → 8M0151529

Уточняйте

2 . CLAMP BRKT PORT 8M0151531

8M0082473 → 8M0151531

Уточняйте

12 451 ₽

256 ₽

2 709 ₽

668 ₽

605 ₽

858 ₽

1 889 ₽

269 ₽

2 779 ₽

684 ₽

4 121 ₽

361 ₽

2 476 ₽

364 ₽

18 . болт Mercury 8M0115483

8129356 → 8M0115483

1 437 ₽

653 ₽

1 265 ₽

21 . MOUNT Mercury 8M0079616

8537713 → 8M0079616

4 021 ₽

22 . SWIVEL TUBE Mercury 8M0075036

8M0075085 → 8M0075036

34 757 ₽

405 ₽

923 ₽

707 ₽

45 791 ₽

342 ₽

567 ₽

758 ₽

30 . БОЛТ (M6 x 12) Mercury 8230427

879194261 → 82304234 → 8230427

171 ₽

Уточняйте

32 . Шайба 400256

16819 → 95303 → 400256

225 ₽

33 . Болт 16830

95362 → 879194251 → 823042044 → 16830

247 ₽

129 ₽

605 ₽

36 . ВИНТ Mercury 851866012

8518661 → 851866012

1 461 ₽

574 ₽

1 558 ₽

39 . MOUNT Mercury 8M0075315

8537712 → 8M0075315

3 515 ₽

40 . шайба Mercury 879194343

95392014 → 879194343

230 ₽

16 937 ₽

258 ₽

714 ₽

780 ₽

2 951 ₽

286 ₽

743 ₽

133 ₽

291 ₽

Уточняйте

1 132 ₽

52 . болт Mercury 8M0098606

879194265 → 8M0098606

Уточняйте

Полезные статьи

Все статьи →
Связаться с нами