Транцевый кронштейн (С/н от ME-5503247/MA-5600162 до 6616990) — [5600162 THRU 0A904645] - Cat.# 90-818855 — купить в Victory Marine
Транцевый кронштейн (С/н от ME-5503247/MA-5600162 до 6616990)
3
4
5
7
8
10
11
13
14
16
17
21
22
25
26
27
28
29
30
31
32
34
35
36
37
38
39
40

Транцевый кронштейн (С/н от ME-5503247/MA-5600162 до 6616990)

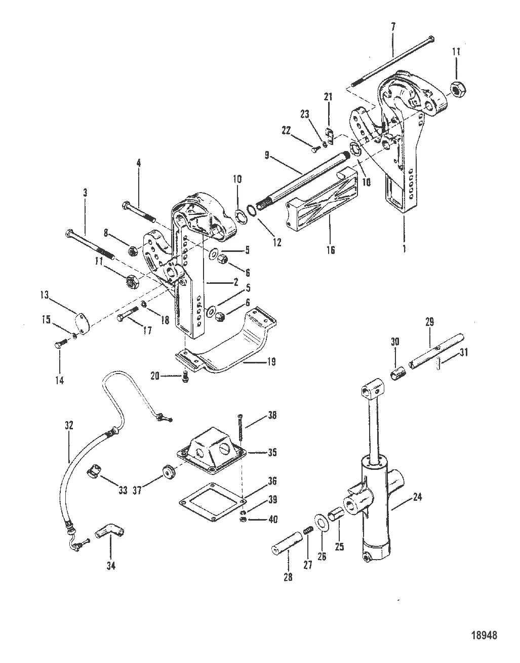
1 . КРОНШТЕЙН Транец Mercury 7476T1

7476T → 74761 → 7476 → 7476T1

Уточняйте

Уточняйте

2 . КРОНШТЕЙН Транец Mercury 7478T1

7478T → 8M0027778 → 7478 → 7478T1

Уточняйте

Уточняйте

2 916 ₽

4 . SCREW 8M0149747

677551 → 8M0149747

2 226 ₽

Уточняйте

1 883 ₽

8 852 ₽

469 ₽

Уточняйте

844 ₽

11 . ГАЙКА (0.875-14) Mercury 858869

30499 → 56041 → F1600 → 858869

602 ₽

11 . ГАЙКА (1.00-14) Mercury 859133

34862 → 90068F2 → 90068T → 90068 → 859133

482 ₽

198 ₽

8 803 ₽

251 ₽

31 385 ₽

394 ₽

113 ₽

260 ₽

646 ₽

346 ₽

Уточняйте

Уточняйте

792 ₽

1 151 ₽

11 806 ₽

Уточняйте

6 239 ₽

225 ₽

52 639 ₽

53 465 ₽

33 . УПЛОТНИТЕЛЬНОЕ КОЛЬЦО Mercury 12602002

126021 → 12602 → 97000 → 12602002

604 ₽

1 626 ₽

5 592 ₽

1 302 ₽

562 ₽

582 ₽

401 ₽

39 . Шайба 26996

20040 → 26996

140 ₽

40 . Гайка 68219

20645 → 33252 → 68219

72 ₽

Полезные статьи

Все статьи →
Гайды и подбор

Ловля на живца с лодки — жерлицы, поставушки, кружки

Живец — проверенная веками приманка, которой не нужна реклама. Рассказываем, как ловить и хранить живца, ставить жерлицы, поставушки и кружки с лодки — и не нарушить закон.

1 мин.
Обслуживание и ремонт

Вибрация лодочного мотора — причины, диагностика и устранение

Вибрация лодочного мотора может быть вызвана десятком причин — от повреждённого винта до износа подвески. Разбираем каждую причину, объясняем, как диагностировать, и рассказываем, что можно исправить самому, а с чем ехать в сервис.

1 мин.
Гайды и подбор

Дистанционное управление лодочным мотором: виды, установка, выбор комплекта

Румпель или дистанция? Разбираем комплект ДУ для лодки: машинка, тросы, рулевая система, электрика. Пошаговая установка, цены, нюансы выбора для Mercury.

1 мин.
Связаться с нами