Транцевые кронштейны С/Н ME-5488752-6618750/MA-5316381-6618750 — [4301235 THRU 0C100860] - USA - Cat.# 90-822256 — купить в Victory Marine
Транцевые кронштейны С/Н ME-5488752-6618750/MA-5316381-6618750
3
4
5
7
10
11
13
14
16
17
21
22
23
25
26
27
28
29
30
31
32
34
35
36
37
39

Транцевые кронштейны С/Н ME-5488752-6618750/MA-5316381-6618750

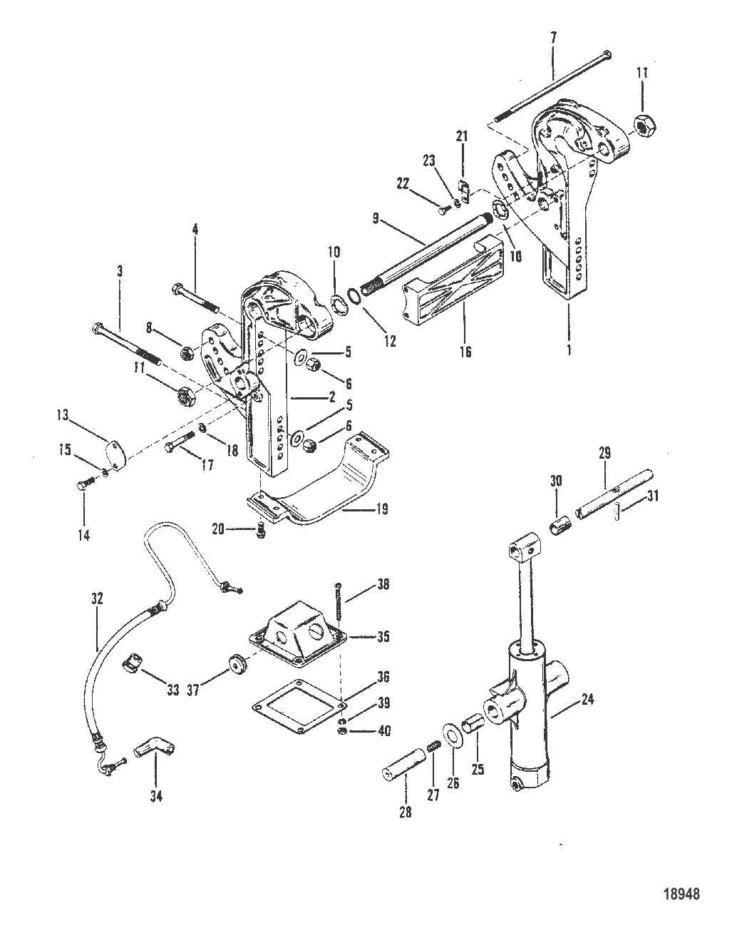
1 . КРОНШТЕЙН Транец Mercury 7476T1

7476T → 74761 → 7476 → 7476T1

Уточняйте

Уточняйте

2 . КРОНШТЕЙН Транец Mercury 7478T1

7478T → 8M0027778 → 7478 → 7478T1

Уточняйте

Уточняйте

2 916 ₽

4 . SCREW 8M0149747

677551 → 8M0149747

2 226 ₽

Уточняйте

8 852 ₽

1 883 ₽

Уточняйте

844 ₽

11 . ГАЙКА (0.875-14) Mercury 858869

30499 → 56041 → F1600 → 858869

602 ₽

11 . ГАЙКА (1.00-14) Mercury 859133

34862 → 90068F2 → 90068T → 90068 → 859133

482 ₽

208 ₽

8 803 ₽

251 ₽

31 385 ₽

394 ₽

113 ₽

260 ₽

646 ₽

346 ₽

23 . Шайба 26996

20040 → 26996

140 ₽

Уточняйте

Уточняйте

792 ₽

1 151 ₽

11 806 ₽

Уточняйте

6 239 ₽

225 ₽

52 639 ₽

53 465 ₽

33 . УПЛОТНИТЕЛЬНОЕ КОЛЬЦО Mercury 12602002

126021 → 12602 → 97000 → 12602002

604 ₽

1 626 ₽

5 592 ₽

1 302 ₽

562 ₽

401 ₽

203 ₽

332 ₽

Полезные статьи

Все статьи →
Обслуживание и ремонт

Топливная система лодочного мотора: устройство, обслуживание, неисправности

Разбираем топливную систему лодочного мотора от бака до форсунки: фильтры, шланги, сепараторы, груша подкачки. Артикулы расходников Mercury, борьба с водой и старым бензином.

1 мин.
Гайды и подбор

Леска, плетёнка или флюорокарбон — что выбрать для спиннинга и донки

Подробно разбираем три типа рыболовных лесок — монофильную, плетёную и флюорокарбоновую. Сравниваем растяжимость, прочность, видимость и цену, чтобы вы точно знали, что намотать на катушку.

1 мин.
Обслуживание и ремонт

ТО подвесного мотора своими руками — чек-лист на 100 моточасов

Полный чек-лист технического обслуживания подвесного мотора на 100 моточасов. Пошаговые инструкции, список запчастей, инструмент и советы, когда лучше обратиться к механику.

1 мин.
Связаться с нами