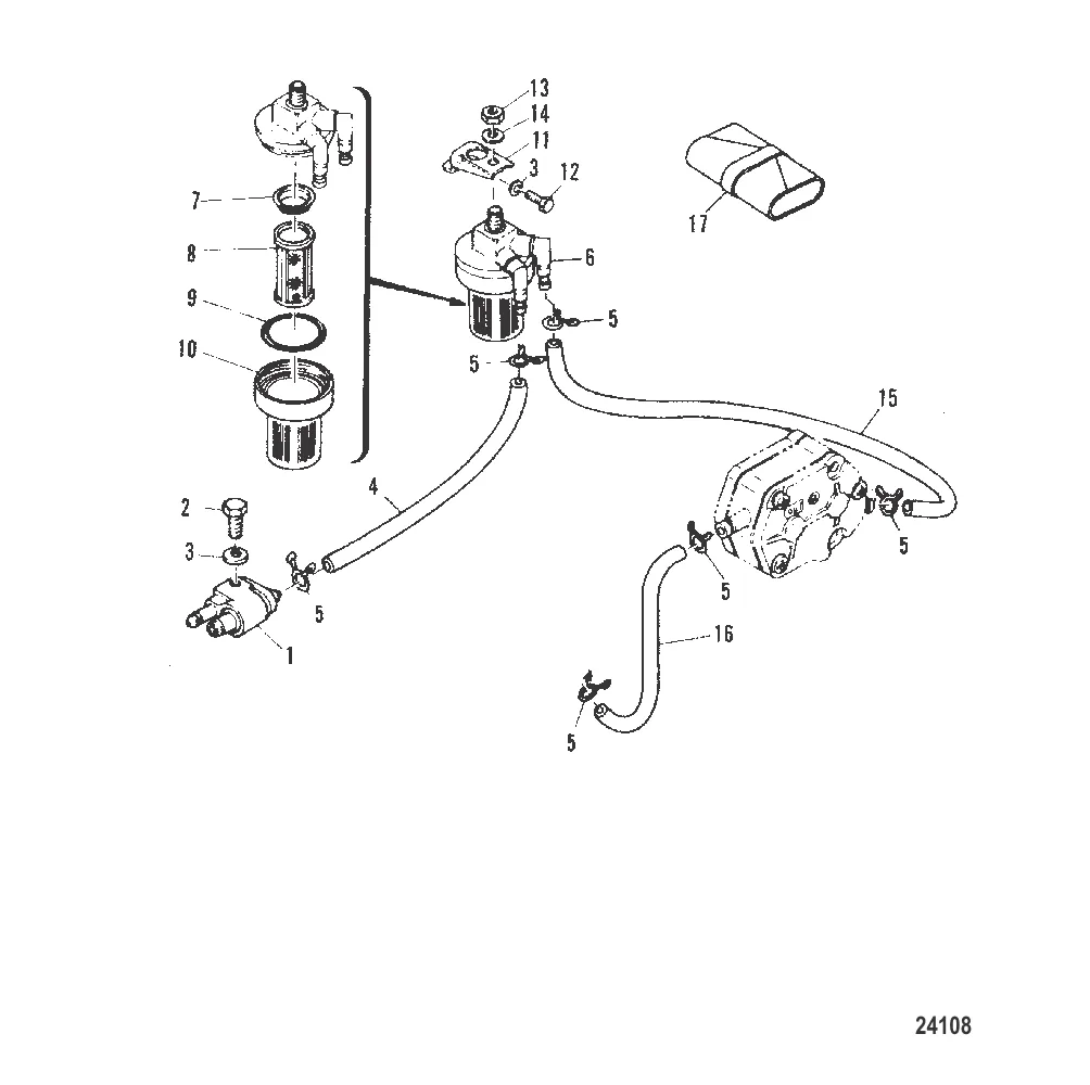
ТОПЛИВОПРОВОДЫ И ФИЛЬТР — [E-676-B100461 THRU B102785] — купить в Victory Marine
ТОПЛИВОПРОВОДЫ И ФИЛЬТР
1
2
3
5
6
7
8
9
10
11
12
13
14
15
16
17

ТОПЛИВОПРОВОДЫ И ФИЛЬТР

1 . СОЕДИНИТЕЛЬ Mercury 14187M

95483M → 93099M → 81041M → 14187M

7 250 ₽

703 ₽

281 ₽

149 ₽

10 900 ₽

127 ₽

8 . фильтр Mercury 826965T

826965M → 826965T

1 292 ₽

587 ₽

Уточняйте

Уточняйте

12 . БОЛТ Mercury 826957M

91725M → 83395M → 826957M

Уточняйте

13 . ГАЙКА Mercury 82382M

43102M → 82382M

702 ₽

601 ₽

Уточняйте

16 . РУКАВ Mercury 82012M

11918M → 82012M

500 ₽

2 319 ₽

Полезные статьи

Все статьи →
Связаться с нами