Топливный насос/фильтр — [0G857000 THRU 0G858150] - Belgium — купить в Victory Marine
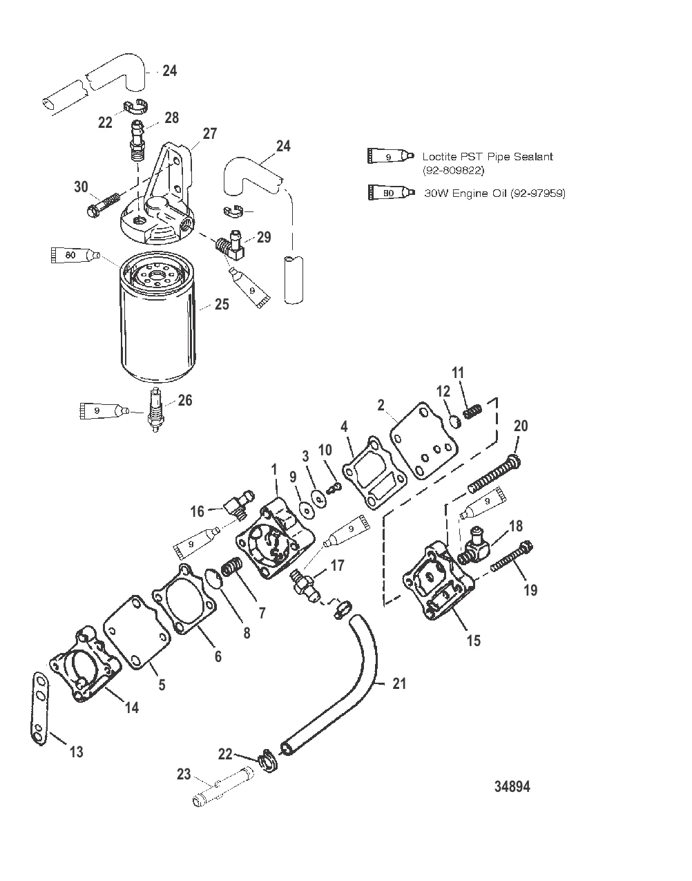
Топливный насос/фильтр
12
13
14
15
17
19
20
22
23
26
27
29
30

Топливный насос/фильтр

1 . НАСОС В СБОРЕ Топливо Mercury 14360T75

14360A69 → 14360A66 → 14360A53 → 15930A21 → 14360T75

19 796 ₽

2 . Комплект диафрагм 857005A1

42990A10 → 42990A7 → 42990A4 → 42990A1 → 857005A1

4 375 ₽

Уточняйте

70 ₽

14 . БАЗА Mercury 144303

144301 → 144303

2 993 ₽

3 959 ₽

298 ₽

17 . Коннектор 291112

291111 → 29111 → 291112

1 302 ₽

806 ₽

291 ₽

452 ₽

10 719 ₽

45 ₽

152 ₽

7 781 ₽

4 500 ₽

1 347 ₽

27 . БАЗА Mercury 13170A3

13170A1 → 13170A3

24 989 ₽

1 292 ₽

8 059 ₽

277 ₽

Полезные статьи

Все статьи →
Связаться с нами