Топливный насос в сборе — 2000 [0E369300 THRU 0E379999] - USA — купить в Victory Marine
Топливный насос в сборе
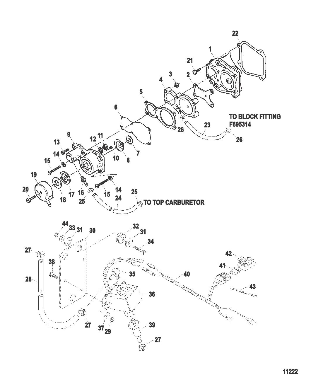
1
2
3
4
5
6
7
8
9
10
11
12
15
16
17
18
19
20
21
22
27
30
31
32
34
35
38
39
40
42
43

Топливный насос в сборе

4 345 ₽

357 ₽

343 ₽

1 346 ₽

525 ₽

1 160 ₽

1 939 ₽

3 729 ₽

9 . BODY ASSY-F/P Mercury 819843T1

819843A1 → FA686431 → FA438431 → 819843T1

6 755 ₽

152 ₽

1 384 ₽

389 ₽

109 ₽

284 ₽

796 ₽

1 145 ₽

1 244 ₽

Уточняйте

192 ₽

260 ₽

670 ₽

8 732 ₽

5 238 ₽

742 ₽

5 317 ₽

434 ₽

1 155 ₽

433 ₽

339 ₽

258 ₽

452 ₽

2 011 ₽

46 718 ₽

176 ₽

259 ₽

2 704 ₽

4 383 ₽

764 ₽

45 ₽

409 ₽

Полезные статьи

Все статьи →
Связаться с нами