Топливный насос (Серийный номер 0T408999 и ниже) — [0G960500 THRU 0T800999] - USA — купить в Victory Marine
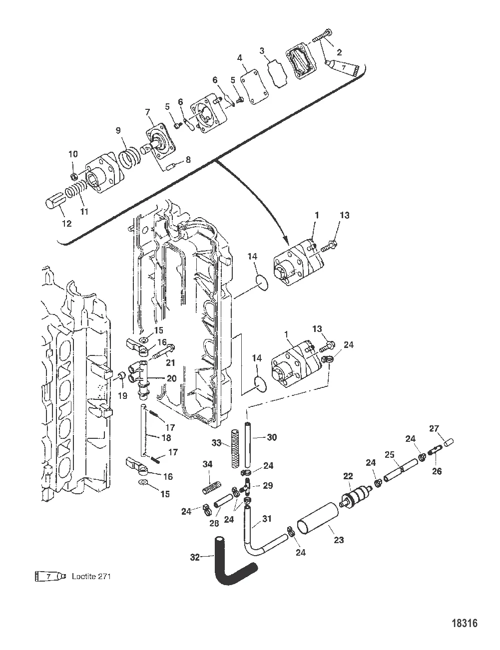
Топливный насос (Серийный номер 0T408999 и ниже)
1
2
3
4
5
6
7
8
9
10
11
12
13
15
16
17
18
19
20
21
22
23
24
26
27
29

Топливный насос (Серийный номер 0T408999 и ниже)

60 647 ₽

161 ₽

710 ₽

1 284 ₽

122 ₽

2 507 ₽

16 472 ₽

898 ₽

Уточняйте

1 098 ₽

1 328 ₽

3 438 ₽

77 ₽

2 529 ₽

149 ₽

3 187 ₽

17 . PIN-ROLL Mercury 82738M

804259 → 82738M

Уточняйте

1 445 ₽

187 ₽

2 463 ₽

99 ₽

2 600 ₽

1 025 ₽

45 ₽

152 ₽

Уточняйте

635 ₽

8 732 ₽

10 719 ₽

Полезные статьи

Все статьи →
Связаться с нами