ТОПЛИВНЫЙ НАСОС (50/60) — [9885345 THRU 9973099] - Belgium — купить в Victory Marine
ТОПЛИВНЫЙ НАСОС (50/60)
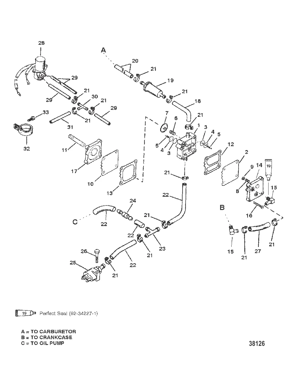
11
13
14
16
17
18
20
21
23
24
25
26
30
31
32
33

ТОПЛИВНЫЙ НАСОС (50/60)

20 000 ₽

2 . Комплект диафрагм 857005A1

42990A10 → 42990A7 → 42990A4 → 42990A1 → 857005A1

4 375 ₽

70 ₽

Уточняйте

3 959 ₽

806 ₽

291 ₽

452 ₽

17 . БАЗА Mercury 144303

144301 → 144303

2 993 ₽

18 . РУКАВ Mercury 830767

816865 → 830767

368 ₽

795 ₽

45 ₽

10 719 ₽

635 ₽

3 245 ₽

5 529 ₽

254 ₽

3 874 ₽

28 171 ₽

4 690 ₽

851 ₽

6 600 ₽

977 ₽

33 . ВИНТ (M6 x 16) Mercury 4006731

4010616 → 40011127 → 4006731

272 ₽

Полезные статьи

Все статьи →
Связаться с нами