Топливные шланги — [1B227000 THRU 1B417701] - USA — купить в Victory Marine
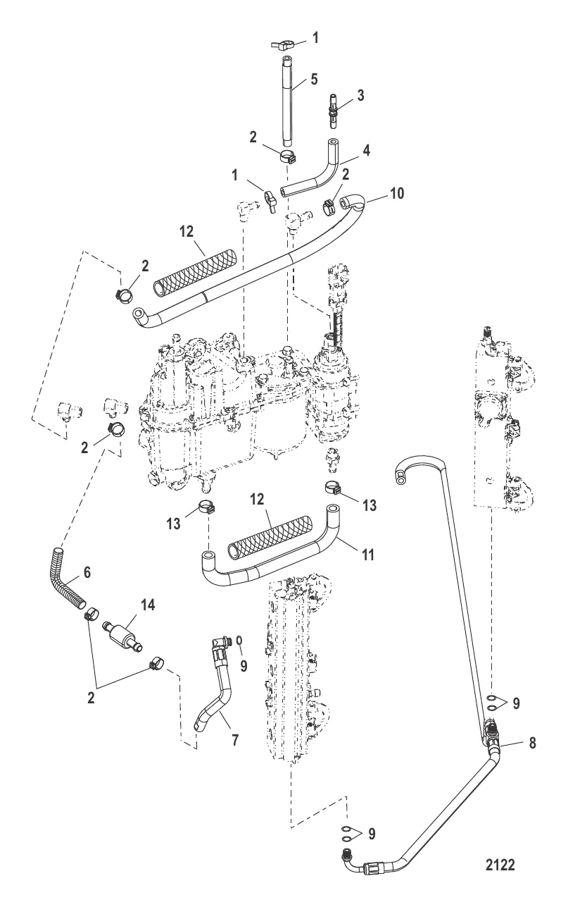
Топливные шланги
1
2
3
5
6
7
8
10
11
13
14

Топливные шланги

45 ₽

196 ₽

365 ₽

8 732 ₽

2 561 ₽

6 . шланг ASSY Mercury 8M0062344

858757A1 → 8M0062344

9 415 ₽

13 418 ₽

41 518 ₽

6 466 ₽

10 . шланг Mercury 8M0064634

85677870 → 8M0064634

6 025 ₽

11 . шланг Mercury 8M0064635

85677887 → 8M0064635

9 384 ₽

Уточняйте

149 ₽

8 697 ₽

Полезные статьи

Все статьи →
Связаться с нами