Популярные города
Товаров не найдено, но мы можем привезти под заказ
Нет аккаунта?
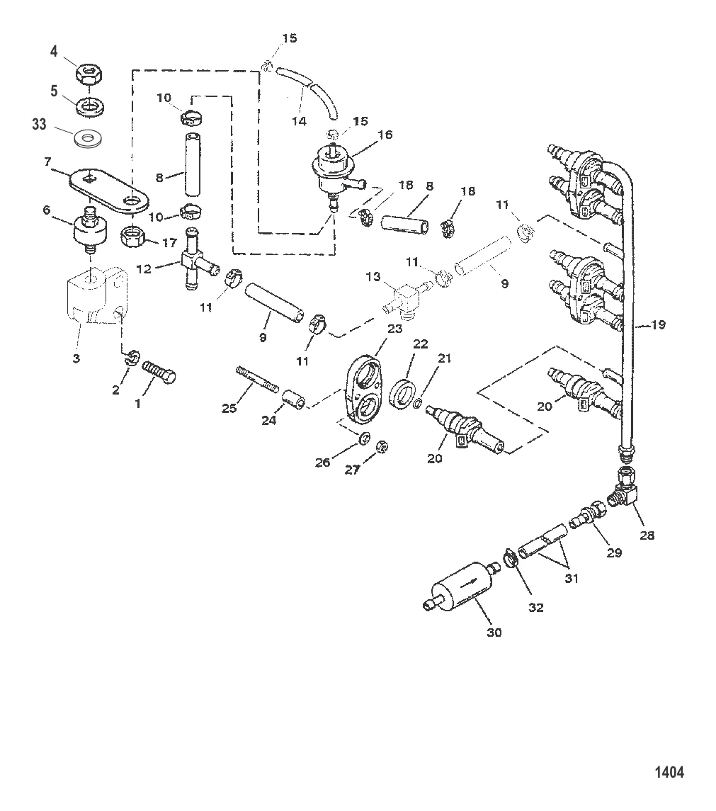
ГАЙКА (0.250-20) Mercury 64015
F1341 → F15051 → 64015
СТОПОРНАЯ ШАЙБА Внутренний (0.250) Mercury 78968
78968
ШАЙБА (0.2656 x 0.625 x 0.0625), нержавеющая сталь Mercury 35462
35462
266 ₽
190 ₽
258 ₽
Полный гайд по весенней рыбалке в Астраханской области: лучшие места на Волге и Ахтубе, какая рыба ловится в апреле-мае, цены на базы отдыха и что взять с собой.
Рейтинг лучших колебалок и вертушек на щуку 2026 года: Mepps Syclops, Kuusamo Professor, Abu Garcia Atom, Aglia Long, Blue Fox Vibrax. Размеры, цвета, проводки по сезонам. ТОП-10 таблицы с рекомендациями.
Правила транспортировки двухтактных и четырёхтактных лодочных моторов в автомобиле. Почему положение при перевозке критически важно, как подготовить топливную систему и чем грозят ошибки — разбираем на примерах Mercury.
Контакты
+7 800 555-65-49
Бесплатно по России — нажмите, чтобы позвонить
Написать нам
Перезвоните мне
Оставьте номер — наш эксперт перезвонит и подберёт нужные запчасти
Нажимая кнопку, вы соглашаетесь на обработку персональных данных
Наш эксперт свяжется с вами в ближайшее время
Скидка будет применена к вашему заказу