Тяга газа Водометный — [0P515897 THRU 1C453839] - Belgium — купить в Victory Marine
Тяга газа Водометный
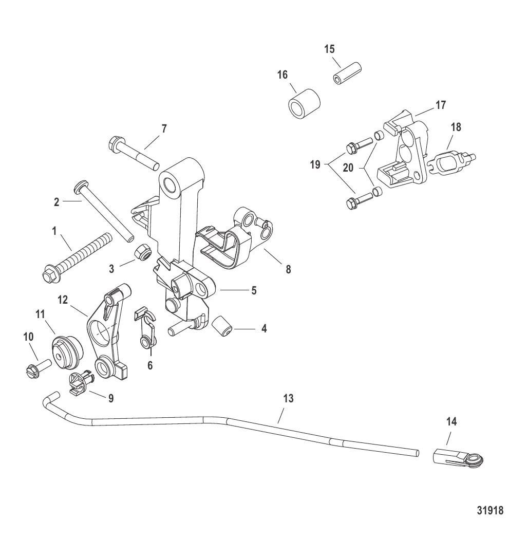
1
2
3
4
6
7
9
10
11
14
15
16
17
18
19
20

Тяга газа Водометный

716 ₽

411 ₽

329 ₽

289 ₽

5 . РЫЧАГ В СБОРЕ Дроссельная заслонка Mercury 822682A4

8226823 → 8226822 → 8226821 → 822682 → 822682A4

6 523 ₽

1 190 ₽

995 ₽

4 308 ₽

9 . Втулка 932481

93248 → 932481

946 ₽

216 ₽

1 563 ₽

6 449 ₽

10 762 ₽

413 ₽

4 294 ₽

426 ₽

4 491 ₽

403 ₽

19 . Болт 8248324

82304213 → 804368 → 8248324

194 ₽

1 808 ₽

Полезные статьи

Все статьи →
Связаться с нами