Тяга газа Водометный — [0P515897 THRU 1C453839] - Belgium — купить в Victory Marine
Тяга газа Водометный
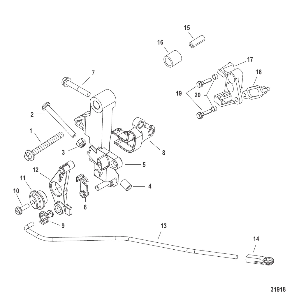
1
2
3
4
6
7
9
10
11
14
15
16
17
18
19
20

Тяга газа Водометный

716 ₽

411 ₽

329 ₽

289 ₽

5 . РЫЧАГ В СБОРЕ Дроссельная заслонка Mercury 822682A4

8226823 → 8226822 → 8226821 → 822682 → 822682A4

6 523 ₽

1 190 ₽

995 ₽

4 308 ₽

9 . Втулка 932481

93248 → 932481

946 ₽

216 ₽

1 563 ₽

6 449 ₽

10 762 ₽

413 ₽

4 294 ₽

426 ₽

4 491 ₽

403 ₽

19 . Болт 8248324

82304213 → 804368 → 8248324

194 ₽

1 808 ₽

Полезные статьи

Все статьи →
Гайды и подбор

Какое масло заливать в четырёхтактный лодочный мотор — марки и вязкость

Всё о моторном масле для четырёхтактных лодочных моторов: вязкость 10W-30 и 10W-40, сертификация FC-W, лучшие марки — Quicksilver, Yamalube, Motul. Интервалы замены и типичные ошибки.

1 мин.
Гайды и подбор

ППВВП для маломерных судов — навигационные правила простым языком

Правила плавания по внутренним водным путям кажутся сложными только на первый взгляд. Разбираем основные навигационные правила для маломерных судов: приоритет, знаки, скорость, обгон и ночное плавание.

1 мин.
Гайды и подбор

Лодочный прицеп — как выбрать, зарегистрировать и не нарваться на штраф

Гайд по выбору лодочного прицепа: типы, грузоподъёмность, ролики и ложементы. Регистрация в ГИБДД, категории прав, правила перевозки лодок и катеров. Разбираем частые ошибки и штрафы.

1 мин.
Связаться с нами