Тяга газа — [1E000797 THRU 1E002341] - USA — купить в Victory Marine
Тяга газа
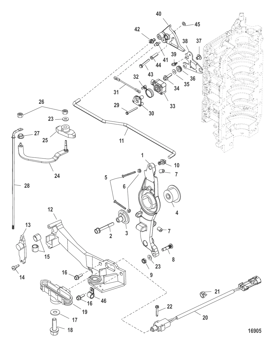
1
2
3
4
5
7
8
11
12
13
14
15
17
19
20
21
22
23
25
26
27
29
30
31
32
33
34
36
37
38
39
40
41
42
44
46

Тяга газа

1 . РЫЧАГ Mercury 8M0040987

8252682 → 8M0040987

19 533 ₽

759 ₽

2 834 ₽

3 034 ₽

1 765 ₽

257 ₽

289 ₽

2 179 ₽

2 321 ₽

7 363 ₽

1 285 ₽

252 ₽

790 ₽

438 ₽

383 ₽

13 778 ₽

5 010 ₽

45 ₽

224 ₽

224 ₽

15 018 ₽

1 993 ₽

442 ₽

384 ₽

29 315 ₽

28 . вал-SHIFT Mercury 8M0036408

896669001 → 8M0036408

28 081 ₽

12 558 ₽

510 ₽

3 089 ₽

4 298 ₽

1 823 ₽

33 . TPI Mercury 8M6005165

83295211 → 8M6005165

26 039 ₽

407 ₽

292 ₽

339 ₽

734 ₽

38 . КРОНШТЕЙН Mercury 8544862

8544861 → 854486 → 8544862

3 684 ₽

289 ₽

20 838 ₽

5 907 ₽

42 . Втулка 932481

93248 → 932481

946 ₽

591 ₽

4 649 ₽

284 ₽

1 049 ₽

Полезные статьи

Все статьи →
Связаться с нами