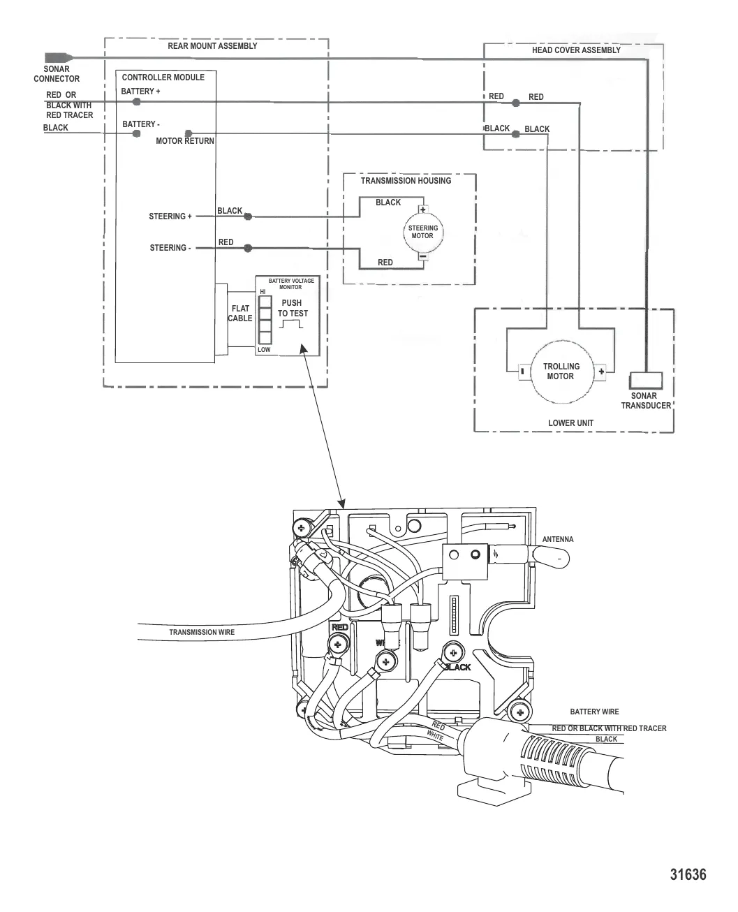
Схема электрических подключений (Brute 50/70, беспроводной) (12/24 В) — [9B000001 & Up] — купить в Victory Marine
Схема электрических подключений (Brute 50/70, беспроводной) (12/24 В)
0

Схема электрических подключений (Brute 50/70, беспроводной) (12/24 В)

Уточняйте

Полезные статьи

Все статьи →
Гайды и подбор

Троллинг с лодки — мотор, снасти, оборудование для начинающих

Разбираемся, что нужно для троллинга с лодки: какой мотор подойдёт, какие снасти взять, зачем нужен даунриггер и эхолот. Практические советы для тех, кто только начинает ловить на дорожку.

1 мин.
Гайды и подбор

Что проверяет ГИМС при остановке на воде — памятка судоводителю

Остановка инспектором ГИМС — стандартная процедура, а не повод для паники. Разбираем, что имеет право проверять инспектор, какие документы и снаряжение должны быть на борту и какие штрафы грозят за нарушения.

1 мин.
Гайды и подбор

Установка эхолота Lowrance на лодку: от монтажа до первого запуска

Подробная инструкция по установке эхолота Lowrance на ПВХ-лодку и катер. Где крепить датчик на транце, как подключить питание, типы датчиков HDI, TotalScan, Active Imaging и типичные ошибки монтажа.

1 мин.
Связаться с нами