Схема электрических подключений (Беспроводные модели) (12/24 В) — [9B000001 & Up] — купить в Victory Marine
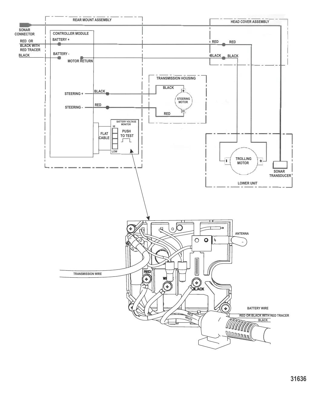
Схема электрических подключений (Беспроводные модели) (12/24 В)
0

Схема электрических подключений (Беспроводные модели) (12/24 В)

Уточняйте

Полезные статьи

Все статьи →
Гайды и подбор

Чехол и транспортировочный тент для лодочного мотора — зачем нужен и как выбрать

Разбираемся, зачем лодочному мотору чехол, какие бывают — транспортировочные, стояночные, полные — и как подобрать по мощности и марке. Конкретные модели, материалы и цены.

1 мин.
Гайды и подбор

Человек за бортом — алгоритм действий и манёвр спасения

Пошаговый алгоритм спасения человека за бортом: немедленные действия, манёвры Вильямсона и Шарнова, подход к пострадавшему, борьба с гипотермией. Теория и практические советы для каждого судоводителя.

1 мин.
Гайды и подбор

Лодка перевернулась — порядок действий и как этого избежать

Переворот лодки — экстренная ситуация, но не приговор, если знаешь что делать. Разбираем пошаговый алгоритм действий, способы подачи сигнала и главное — как не допустить опрокидывания.

1 мин.
Связаться с нами