Стандартная система охлаждения (Многоточечный слив) — [0M300000 THRU 0M599999] — купить в Victory Marine
Стандартная система охлаждения (Многоточечный слив)
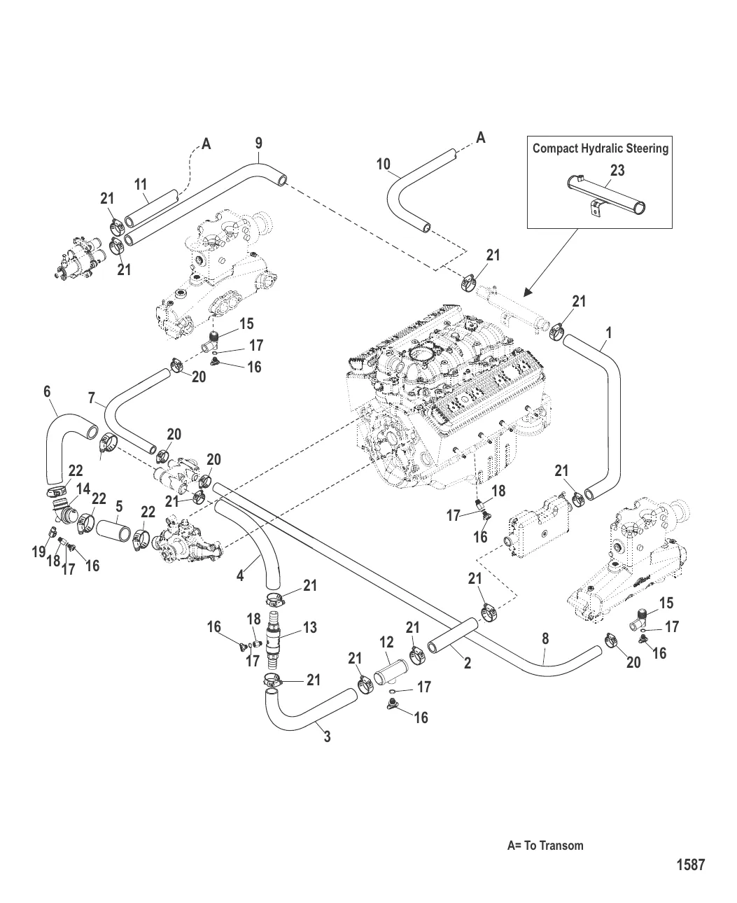
1
2
3
4
5
6
7
8
9
10
12
13
14
18
19
23

Стандартная система охлаждения (Многоточечный слив)

8 272 ₽

2 . РУКАВ Mercury 866331

807694075 → 80769440 → 866331

1 892 ₽

5 721 ₽

4 309 ₽

1 299 ₽

5 990 ₽

8 943 ₽

9 269 ₽

12 264 ₽

7 957 ₽

33 459 ₽

12 . ФИТИНГ Mercury 861505

861483T → 861483 → 861505

1 324 ₽

28 083 ₽

1 060 ₽

3 920 ₽

1 200 ₽

238 ₽

Уточняйте

3 042 ₽

1 747 ₽

792 ₽

554 ₽

24 159 ₽

Полезные статьи

Все статьи →
Обслуживание и ремонт

Вибрация лодочного мотора — причины, диагностика и устранение

Вибрация лодочного мотора может быть вызвана десятком причин — от повреждённого винта до износа подвески. Разбираем каждую причину, объясняем, как диагностировать, и рассказываем, что можно исправить самому, а с чем ехать в сервис.

1 мин.
Гайды и подбор

Что проверяет ГИМС при остановке на воде — памятка судоводителю

Остановка инспектором ГИМС — стандартная процедура, а не повод для паники. Разбираем, что имеет право проверять инспектор, какие документы и снаряжение должны быть на борту и какие штрафы грозят за нарушения.

1 мин.
Сравнения и обзоры

Лучшие спиннинги для джига 2026 — рейтинг ТОП-15

Рейтинг лучших джиговых спиннингов 2026 года. Разбираем требования к бланку, лучшие модели в трёх ценовых сегментах и отличия берегового и лодочного джига.

1 мин.
Связаться с нами