Стандартная система охлаждения – ALPHA 7-точечный слив — [1A300000 THRU 1A611927] - Cat.# 90-884717005 — купить в Victory Marine
Стандартная система охлаждения – ALPHA 7-точечный слив
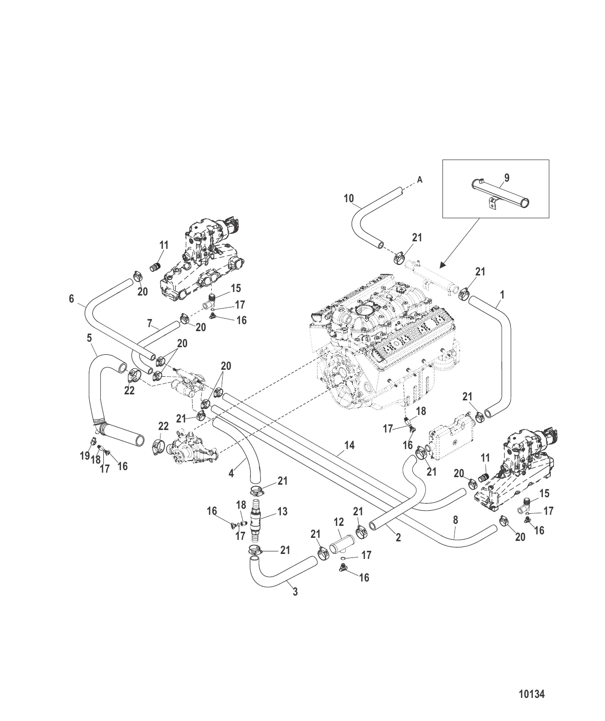
1
2
3
4
5
6
7
8
9
10
11
12
13
14
18
19

Стандартная система охлаждения – ALPHA 7-точечный слив

8 272 ₽

2 . РУКАВ Mercury 866331

807694075 → 80769440 → 866331

1 892 ₽

5 721 ₽

4 309 ₽

13 084 ₽

6 . РУКАВ Mercury 864979

864538 → 864979

7 418 ₽

8 943 ₽

9 269 ₽

24 159 ₽

7 957 ₽

2 076 ₽

12 . ФИТИНГ Mercury 861505

861483T → 861483 → 861505

1 324 ₽

28 083 ₽

8 456 ₽

3 920 ₽

1 200 ₽

350 ₽

Уточняйте

3 042 ₽

1 747 ₽

554 ₽

1 109 ₽

Полезные статьи

Все статьи →
Связаться с нами