Стандартная система охлаждения 383 Mag Bravo 4V — [1G400000 THRU 1G499999] — купить в Victory Marine
Стандартная система охлаждения 383 Mag Bravo 4V
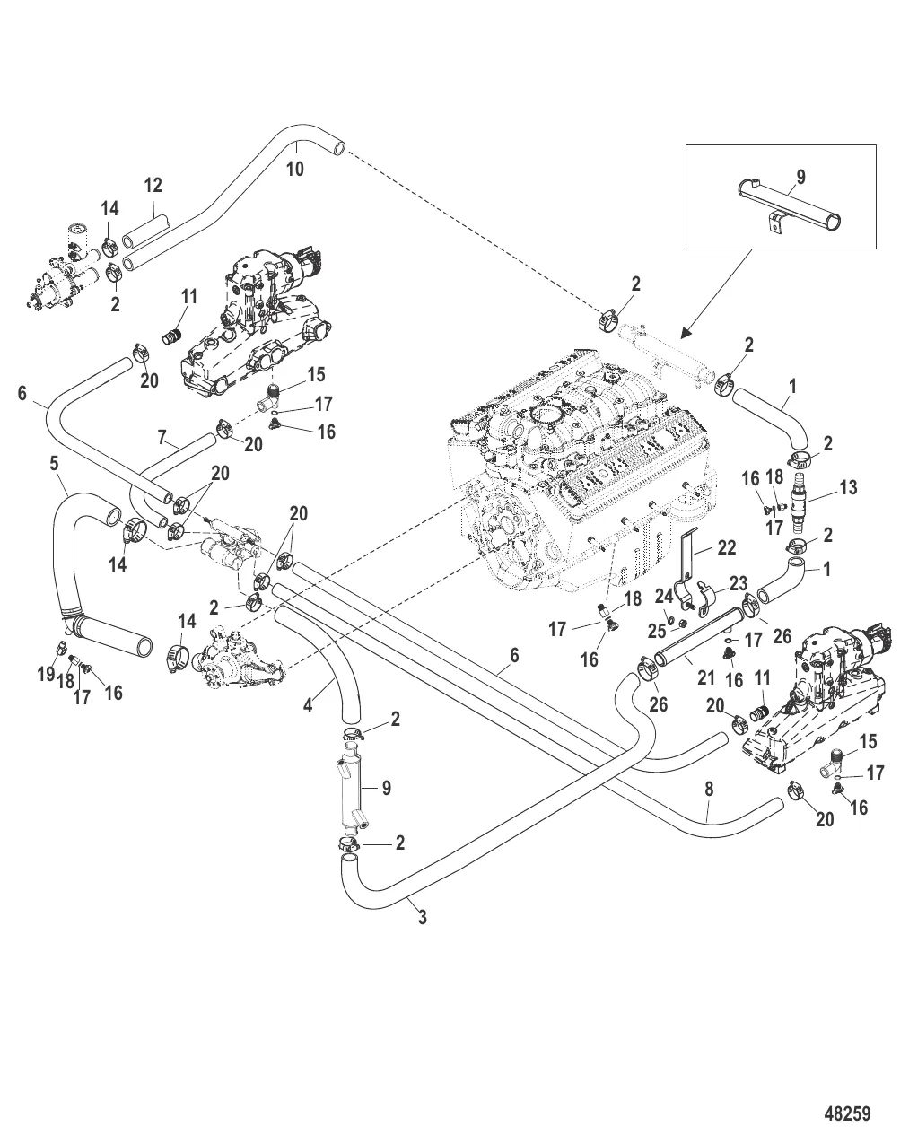
1
3
4
5
7
8
9
10
11
13
18
19
21
22
23
25

Стандартная система охлаждения 383 Mag Bravo 4V

8 272 ₽

697 ₽

5 721 ₽

4 309 ₽

13 084 ₽

11 454 ₽

8 943 ₽

9 269 ₽

81 023 ₽

11 515 ₽

2 076 ₽

33 459 ₽

28 083 ₽

1 109 ₽

3 920 ₽

1 200 ₽

350 ₽

Уточняйте

3 042 ₽

1 747 ₽

7 098 ₽

2 479 ₽

2 199 ₽

258 ₽

224 ₽

792 ₽

Полезные статьи

Все статьи →
Обслуживание и ремонт

Вибрация лодочного мотора — причины, диагностика и устранение

Вибрация лодочного мотора может быть вызвана десятком причин — от повреждённого винта до износа подвески. Разбираем каждую причину, объясняем, как диагностировать, и рассказываем, что можно исправить самому, а с чем ехать в сервис.

1 мин.
Гайды и подбор

Лодка перевернулась — порядок действий и как этого избежать

Переворот лодки — экстренная ситуация, но не приговор, если знаешь что делать. Разбираем пошаговый алгоритм действий, способы подачи сигнала и главное — как не допустить опрокидывания.

1 мин.
Гайды и подбор

Рыбалка в апреле 2026 — кого, на что и как ловить до и во время запрета

Полный гайд по апрельской рыбалке: преднерестовый жор щуки, активность окуня и плотвы, что разрешено во время запрета, лучшие наживки и снасти.

1 мин.
Связаться с нами