Стандартная система охлаждения — [1G400000 THRU 1G499999] — купить в Victory Marine
Стандартная система охлаждения
1
3
4
5
6
7
8
9
10
11
17
18
20
21
22
23
26
27

Стандартная система охлаждения

8 272 ₽

697 ₽

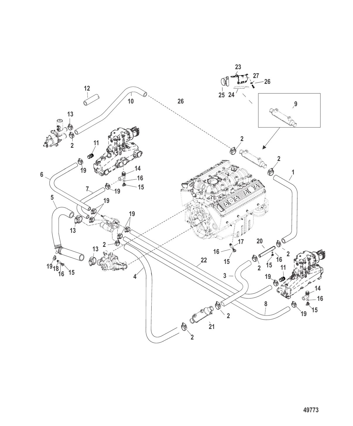
3 . РУКАВ Mercury 866331

807694075 → 80769440 → 866331

1 892 ₽

4 792 ₽

13 084 ₽

8 456 ₽

10 589 ₽

9 269 ₽

89 481 ₽

12 264 ₽

2 076 ₽

33 459 ₽

1 109 ₽

3 920 ₽

1 200 ₽

350 ₽

Уточняйте

3 042 ₽

1 747 ₽

20 . ФИТИНГ Mercury 861505

861483T → 861483 → 861505

1 324 ₽

77 687 ₽

22 . РУКАВ Mercury 864979

864538 → 864979

7 418 ₽

15 622 ₽

248 ₽

27 . Шайба 35048

37459 → 27969 → 35048

171 ₽

Полезные статьи

Все статьи →
Связаться с нами