Стандартная система охлаждения — [1G400000 THRU 1G499999] — купить в Victory Marine
Стандартная система охлаждения
2
7
9
11
12
13
14
19
20
21
22
23

Стандартная система охлаждения

78 695 ₽

Уточняйте

600 ₽

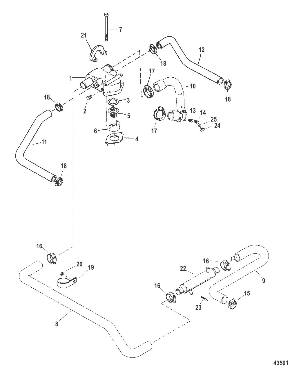
5 . 8M0109441 Термостат Mercruiser 3.0-8.1 ( QUICKSILVER )

8M0091470 → 807252T2 → 8072522 → 8052732 → 8M0109441

5 800 ₽

1 900 ₽

7 . винт Mercury 8M0113179

98508 → 8M0113179

1 070 ₽

7 957 ₽

8 393 ₽

10 238 ₽

8 472 ₽

Уточняйте

2 554 ₽

799 ₽

792 ₽

1 109 ₽

989 ₽

Уточняйте

298 ₽

2 195 ₽

36 002 ₽

364 ₽

1 200 ₽

350 ₽

Полезные статьи

Все статьи →
Связаться с нами