Стандартная система охлаждения — [1G404114 THRU 1G414332] — купить в Victory Marine
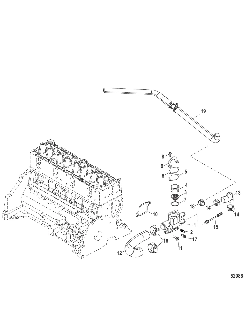
Стандартная система охлаждения
2
5
6
8
9
11
12
13
15
19

Стандартная система охлаждения

11 786 ₽

18 591 ₽

3 . 8M0109441 Термостат Mercruiser 3.0-8.1 ( QUICKSILVER )

8M0091470 → 807252T2 → 8072522 → 8052732 → 8M0109441

5 800 ₽

1 900 ₽

207 ₽

9 800 ₽

600 ₽

248 ₽

2 195 ₽

400 ₽

285 ₽

931 ₽

12 . шланг Mercury 8M0071007

96879 → 8M0071007

7 043 ₽

4 108 ₽

989 ₽

1 747 ₽

9 500 ₽

1 109 ₽

5 500 ₽

799 ₽

11 591 ₽

Полезные статьи

Все статьи →
Связаться с нами