Популярные города
Товаров не найдено, но мы можем привезти под заказ
Нет аккаунта?
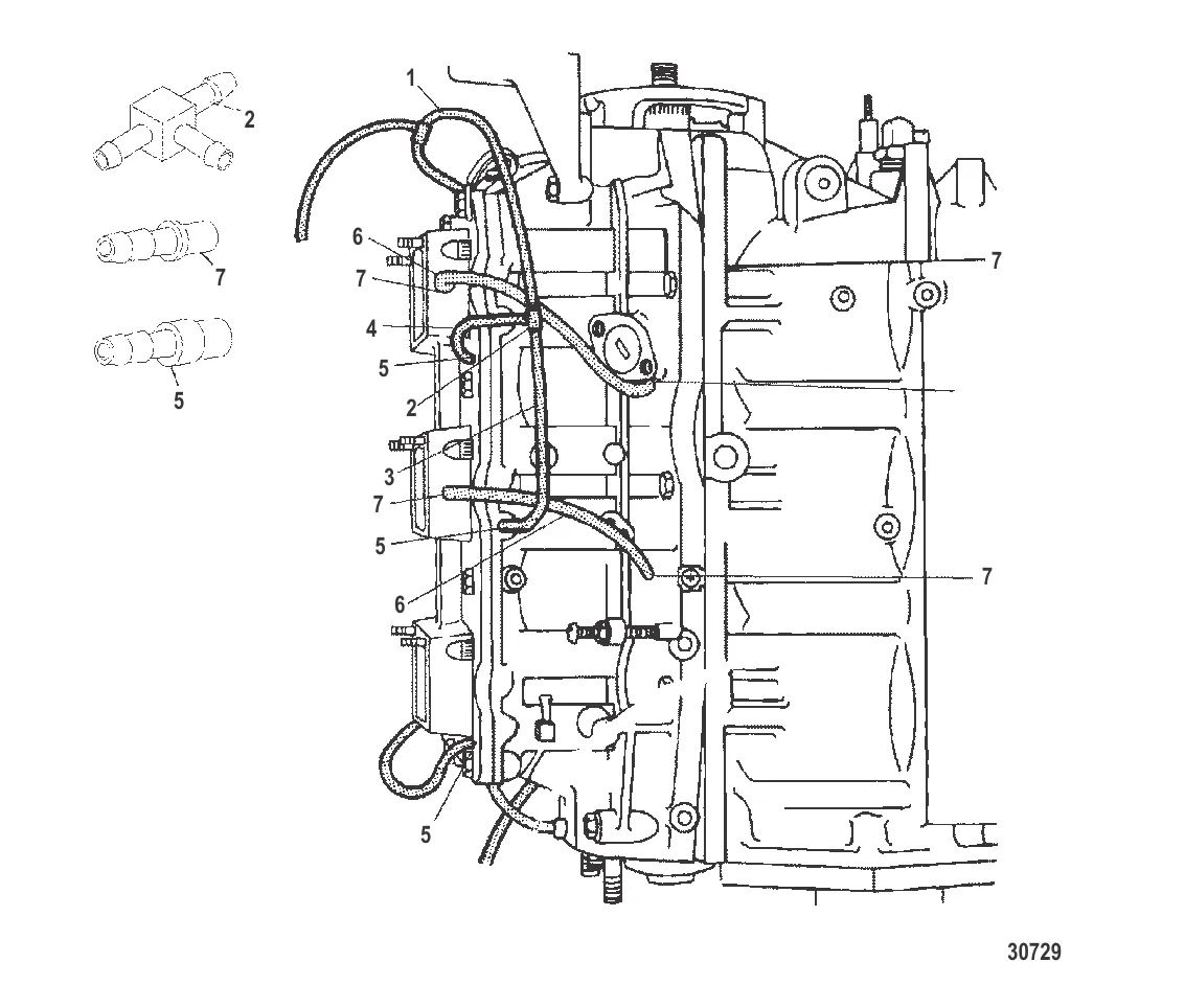
ФИТИНГ Тройник Mercury 59169003
591692 → 59169003
ОБРАТНЫЙ КЛАПАН Mercury 426982
426981 → 426982
Шланг топливный 892024122
99130122 → 892024122
ФИТИНГ Зазубренный Mercury 56759
65857 → 56759
851 ₽
4 296 ₽
6 600 ₽
1 500 ₽
Разбираемся в типах лодочных кресел — мягкие, жёсткие, поворотные, складные. Какие крепления бывают, как выбрать удобное сиденье и не пожалеть о покупке.
Рыбалка на Каме с лодки: лучшие участки от Перми до Камского Устья, виды рыб и сезонные рекомендации.
Первый полный обзор линейки Mercury 2026 на русском языке — V10 Verado 600HP, электромоторы Avator, гоночный APX 60 и обновлённые FourStroke, SeaPro, Pro XS.
Контакты
+7 800 555-65-49
Бесплатно по России — нажмите, чтобы позвонить
Написать нам
Перезвоните мне
Оставьте номер — наш эксперт перезвонит и подберёт нужные запчасти
Нажимая кнопку, вы соглашаетесь на обработку персональных данных
Наш эксперт свяжется с вами в ближайшее время
Скидка будет применена к вашему заказу