Популярные города
Товаров не найдено, но мы можем привезти под заказ
Нет аккаунта?
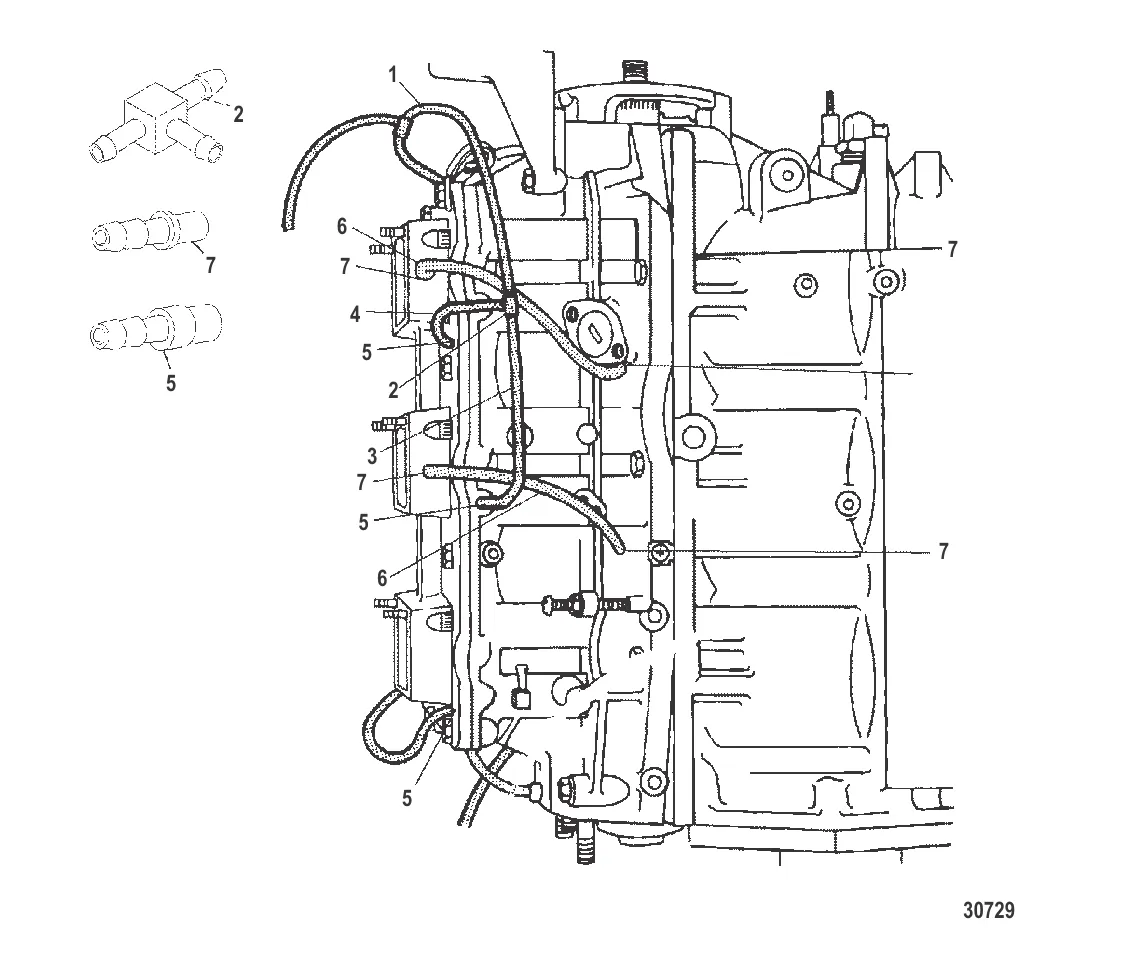
ФИТИНГ Тройник Mercury 59169003
591692 → 59169003
ОБРАТНЫЙ КЛАПАН Mercury 426982
426981 → 426982
Шланг топливный 892024122
99130122 → 892024122
ФИТИНГ Зазубренный Mercury 56759
65857 → 56759
851 ₽
4 296 ₽
6 600 ₽
1 500 ₽
Как защитить лодку и мотор от угона: GPS-трекеры, маячки, механические замки — рейтинг устройств и практические советы.
Делаем прикормку сами: проверенные рецепты на леща, карася и плотву. Базовые компоненты, ароматизаторы и правильная консистенция.
Детальное сравнение лодочных моторов 30 л.с. от четырёх ведущих производителей. EFI против карбюратора, румпель против дистанции, реальные скорости и расходы — вся правда от практиков.
Контакты
+7 800 555-65-49
Бесплатно по России — нажмите, чтобы позвонить
Написать нам
Перезвоните мне
Оставьте номер — наш эксперт перезвонит и подберёт нужные запчасти
Нажимая кнопку, вы соглашаетесь на обработку персональных данных
Наш эксперт свяжется с вами в ближайшее время
Скидка будет применена к вашему заказу