Система смазки — [1B752547 THRU 2B535608] — купить в Victory Marine
Система смазки
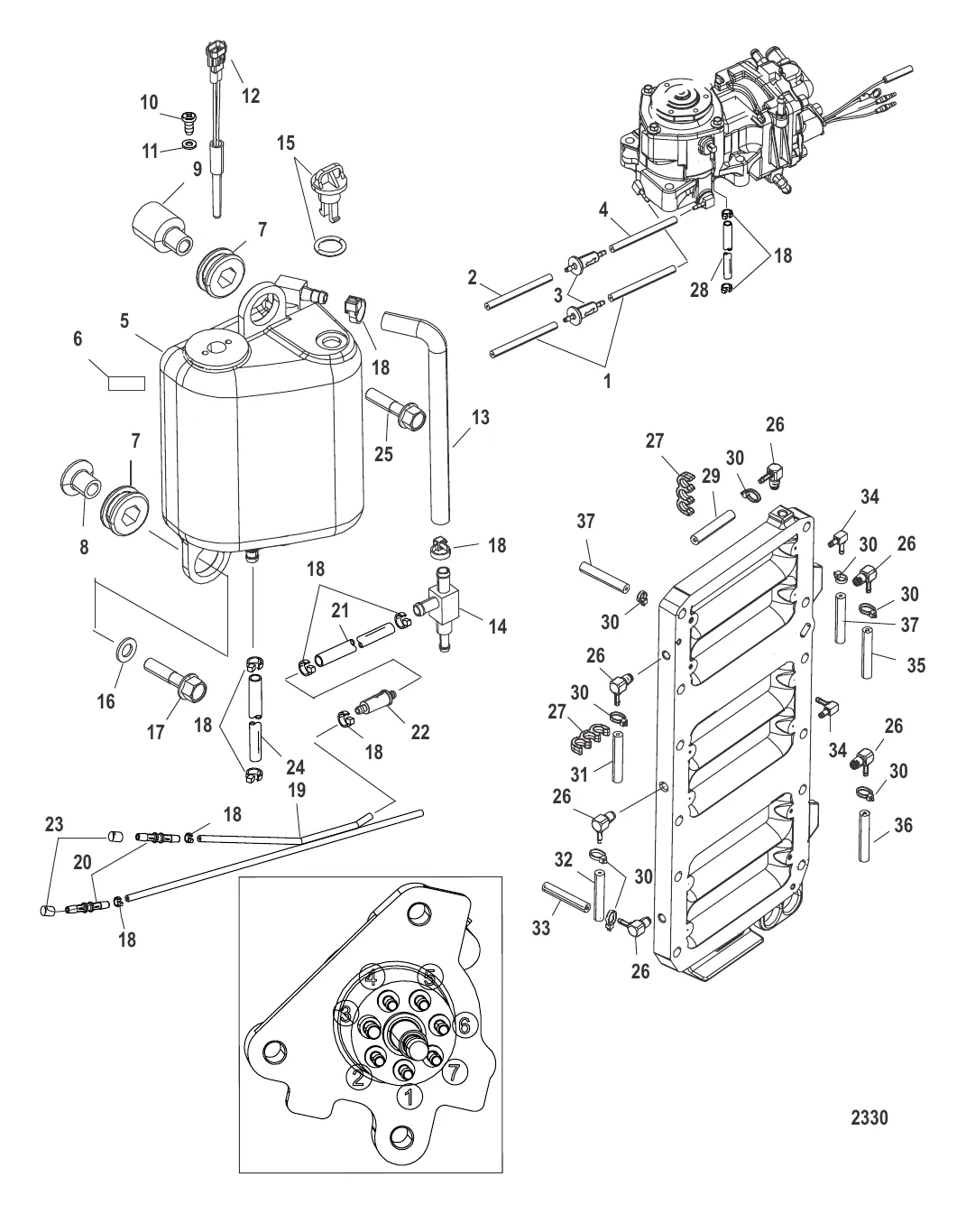
3
5
8
9
10
12
13
14
15
16
17
18
19
20
21
23
24
25
26
27
28
30
34
37

Система смазки

3 . Фильтр 8M0042285

18206001 → 18206 → 14991 → 8M0042285

Уточняйте

45 185 ₽

392 ₽

891 ₽

1 689 ₽

131 ₽

176 ₽

4 471 ₽

3 598 ₽

3 826 ₽

266 ₽

563 ₽

540 ₽

45 ₽

5 861 ₽

365 ₽

869 ₽

729 ₽

Уточняйте

4 251 ₽

759 ₽

6 836 ₽

660 ₽

28 . РУКАВ Mercury 8M0054213

85583466 → 8M0054213

8 893 ₽

28 ₽

4 156 ₽

37 . Шланг 8M0054152

85606065 → 8M0054152

5 838 ₽

Полезные статьи

Все статьи →
Гайды и подбор

Лодка РИБ — что это такое, плюсы и минусы, для кого подходит

Что такое РИБ, чем он отличается от обычной ПВХ и алюминиевой лодки, когда РИБ оправдан, а когда — лишняя трата денег. Разбираемся с конструкцией, ценами и подбором мотора.

1 мин.
Гайды и подбор

Лодка перевернулась — порядок действий и как этого избежать

Переворот лодки — экстренная ситуация, но не приговор, если знаешь что делать. Разбираем пошаговый алгоритм действий, способы подачи сигнала и главное — как не допустить опрокидывания.

1 мин.
Гайды и подбор

Как правильно перевозить лодочный мотор в машине — 2Т и 4Т

Правила транспортировки двухтактных и четырёхтактных лодочных моторов в автомобиле. Почему положение при перевозке критически важно, как подготовить топливную систему и чем грозят ошибки — разбираем на примерах Mercury.

1 мин.
Связаться с нами