Система охлаждения Резервуар и кронштейны — 3.0L VM 230 V6 IB — купить в Victory Marine
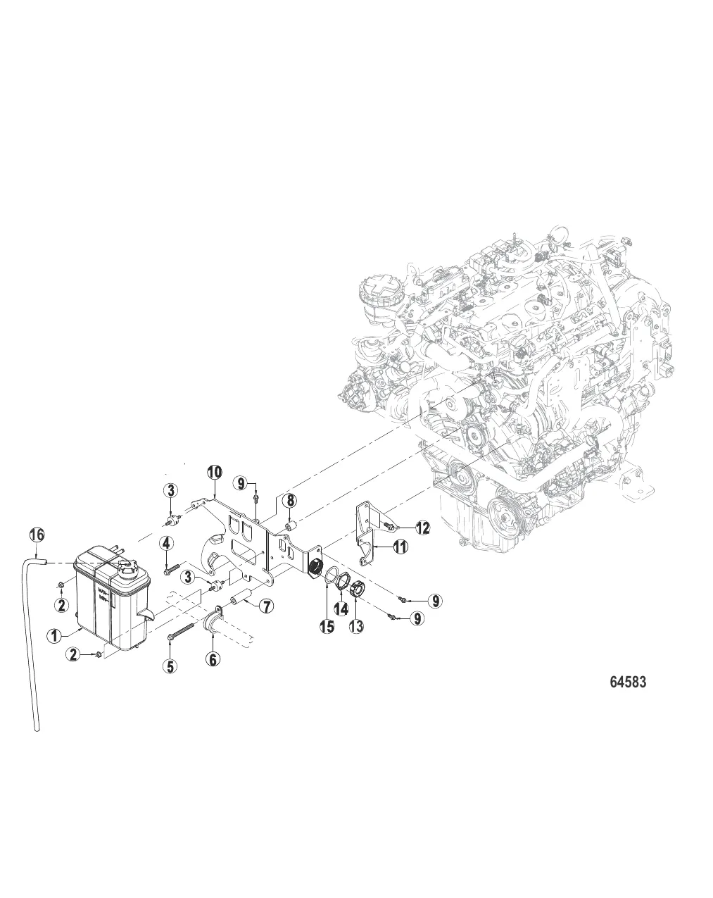
Система охлаждения Резервуар и кронштейны
1
2
3
4
5
6
7
8
9
10
11
14
16

Система охлаждения Резервуар и кронштейны

1 . COOLANT TANK 8M0155623

8M0129684 → 8M0155623

107 902 ₽

2 . ГАЙКА Mercury 898101541

854032 → 898101541

27 ₽

3 275 ₽

103 ₽

205 ₽

Уточняйте

Уточняйте

Уточняйте

9 . ВИНТ Mercury 898101550

896332173 → 898101550

42 ₽

10 . BRACKET 8M0152582

8M0129653 → 8M0152582

Уточняйте

11 . BRACKET 8M0152573

8M0129654 → 8M0152573

Уточняйте

12 . ВИНТ Mercury 898101555

854118001 → 854118 → 809913644 → 898101555

65 ₽

Уточняйте

Уточняйте

Полезные статьи

Все статьи →
Обслуживание и ремонт

Лодочный мотор в солёной воде — как защитить от коррозии и продлить ресурс

Солёная вода — главный враг подвесного мотора. Рассказываем, как правильно промывать двигатель после моря, когда менять аноды, чем обрабатывать редуктор и что делать, чтобы мотор прожил долго.

1 мин.
Гайды и подбор

Тюнинг и доработка лодки ПВХ своими руками — 15 лучших идей

15 проверенных доработок лодки ПВХ своими руками: усиление дна, мягкие сиденья, держатели удилищ, якорная система, подсветка и другие полезные идеи с ценами и инструкциями.

1 мин.
Сравнения и обзоры

Лучшие блёсны на щуку 2026 — колебалки и вертушки: рейтинг и проводка

Рейтинг лучших колебалок и вертушек на щуку 2026 года: Mepps Syclops, Kuusamo Professor, Abu Garcia Atom, Aglia Long, Blue Fox Vibrax. Размеры, цвета, проводки по сезонам. ТОП-10 таблицы с рекомендациями.

2 мин.
Связаться с нами