Система охлаждения Резервуар и кронштейны — 3.0L VM 150 V6 SD — купить в Victory Marine
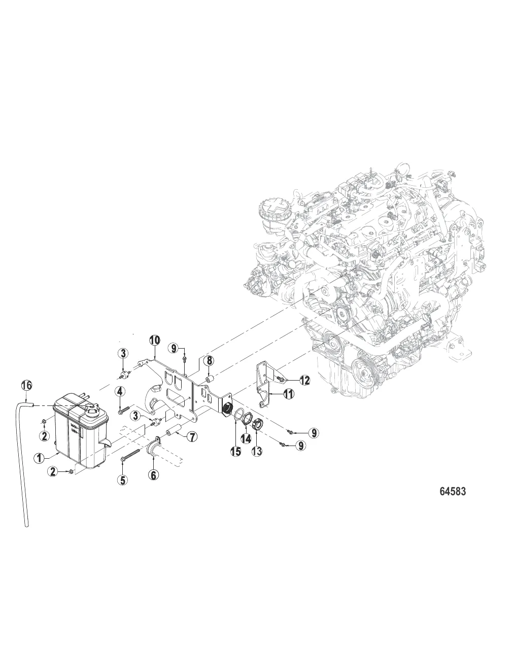
Система охлаждения Резервуар и кронштейны
1
2
3
4
5
6
7
8
9
10
11
12
14
16

Система охлаждения Резервуар и кронштейны

1 . COOLANT TANK 8M0155623

8M0129684 → 8M0155623

107 902 ₽

2 . ГАЙКА Mercury 898101541

854032 → 898101541

27 ₽

3 275 ₽

103 ₽

205 ₽

Уточняйте

Уточняйте

Уточняйте

9 . ВИНТ Mercury 898101550

896332173 → 898101550

42 ₽

10 . BRACKET 8M0152582

8M0129653 → 8M0152582

Уточняйте

11 . BRACKET 8M0152573

8M0129654 → 8M0152573

Уточняйте

12 . ВИНТ Mercury 898101555

854118001 → 854118 → 809913644 → 898101555

65 ₽

Уточняйте

Уточняйте

Полезные статьи

Все статьи →
Связаться с нами