Система охлаждения Маслоохладитель, усилитель рулевого управления — 3.0L VM 150 V6 SD — купить в Victory Marine
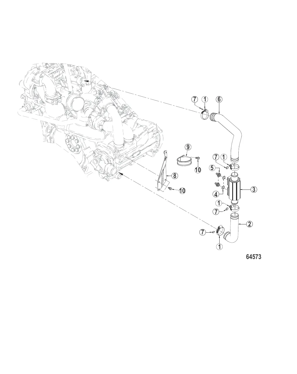
Система охлаждения Маслоохладитель, усилитель рулевого управления
1
2
3
4
5
6
7
8
9
10

Система охлаждения Маслоохладитель, усилитель рулевого управления

1 . Зажим 8M0129898

896332085 → 8M0129898

946 ₽

2 . HOSE 8M0129724

8M0129724

5 247 ₽

3 . COOLER-P/S 8M0155620

8M0129665 → 8M0155620

Уточняйте

90 ₽

2 768 ₽

6 . HOSE 8M0129722

8M0129722

Уточняйте

Уточняйте

8 . BRACKET 8M0152576

8M0129634 → 8M0152576

Уточняйте

Уточняйте

10 . ВИНТ Mercury 898101554

879286 → 898101554

67 ₽

Полезные статьи

Все статьи →
Обслуживание и ремонт

Ремонт лодки ПВХ своими руками — как заклеить прокол, порез и шов

Подробная инструкция по ремонту лодки ПВХ: выбор клея, заплатки, горячий и холодный метод склейки. Разбираем типичные повреждения и рассказываем, когда можно починить самому, а когда лучше к мастеру.

1 мин.
Сравнения и обзоры

Водомёт или винт — что лучше для лодочного мотора и когда что выбирать

Разбираемся, чем водомётная насадка отличается от винта, когда водомёт реально спасает, а когда только жрёт лишний бензин. Сравниваем скорость, расход, обслуживание и цены.

1 мин.
Гайды и подбор

Плотность ПВХ ткани лодки — 750, 850, 1100 г/м²: какую выбрать

Что означает плотность ПВХ ткани лодки 750, 850 или 1100 г/м² и как она влияет на прочность, вес и срок службы. Развенчиваем мифы и помогаем выбрать оптимальную плотность для ваших задач.

1 мин.
Связаться с нами