Силовой привод рулевого механизма, Axius (Gen I) Вворачиваемые датчики — [0W250000 & Up] — купить в Victory Marine
Силовой привод рулевого механизма, Axius (Gen I) Вворачиваемые датчики
3
4
5
6
7
8
9
10
17
19
22
25
26
27
28
30

Силовой привод рулевого механизма, Axius (Gen I) Вворачиваемые датчики

1 099 191 ₽

1 099 190 ₽

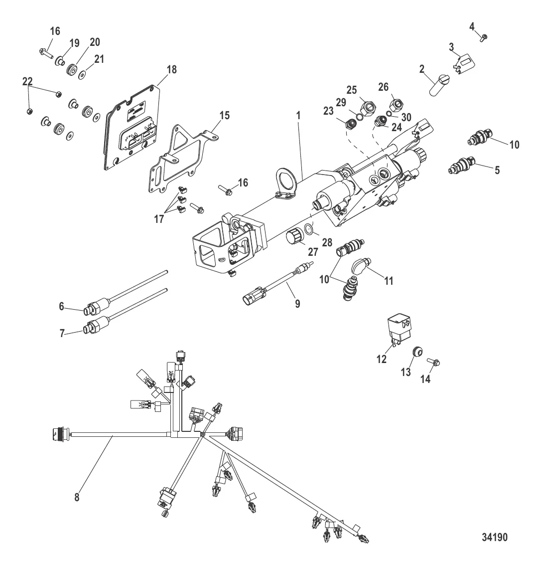
1 . ORD 8M0057413 Mercury 8M0048425

8M2016605 → 8M0048425

748 680 ₽

1 . ORD 8M0057413 Mercury 8M0048426

8M2016606 → 8M0048426

935 783 ₽

5 581 ₽

264 ₽

38 087 ₽

133 618 ₽

128 181 ₽

70 208 ₽

9 . SENSOR Temperature 8M0142542

8M0010146 → 8M0142542

Уточняйте

27 814 ₽

259 ₽

734 ₽

339 ₽

292 ₽

Уточняйте

34 400 ₽

16 177 ₽

8 161 ₽

1 363 ₽

2 467 ₽

1 363 ₽

166 ₽

122 ₽

1 212 ₽

Полезные статьи

Все статьи →
Связаться с нами