Шарнирный кронштейн (Усилитель дифферента)(с/н 0C160935 и ниже) — [9469200 THRU 9683054] - Belgium - Cat.# 90-16404 — купить в Victory Marine
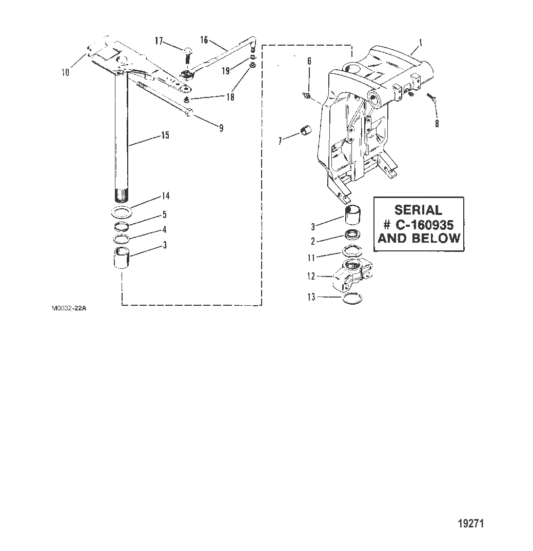
Шарнирный кронштейн (Усилитель дифферента)(с/н 0C160935 и ниже)
2
3
4
5
6
7
8
9
10
11
12
13
14
15
16
17

Шарнирный кронштейн (Усилитель дифферента)(с/н 0C160935 и ниже)

109 511 ₽

276 609 ₽

4 883 ₽

3 . Втулка 818764

67669 → 818764

4 478 ₽

329 ₽

663 ₽

Уточняйте

1 139 ₽

203 ₽

Уточняйте

Уточняйте

1 726 ₽

Уточняйте

Уточняйте

561 ₽

Уточняйте

57 031 ₽

Уточняйте

Уточняйте

2 549 ₽

18 . ГАЙКА (0.375-24), латунь Mercury 8M0042636

826709113 → 34863 → 20509 → 8M0042636

Уточняйте

300 ₽

Полезные статьи

Все статьи →
Связаться с нами