Шарнирный кронштейн и рычаг рулевого механизма — [1B690542 THRU 2B535572] - USA — купить в Victory Marine
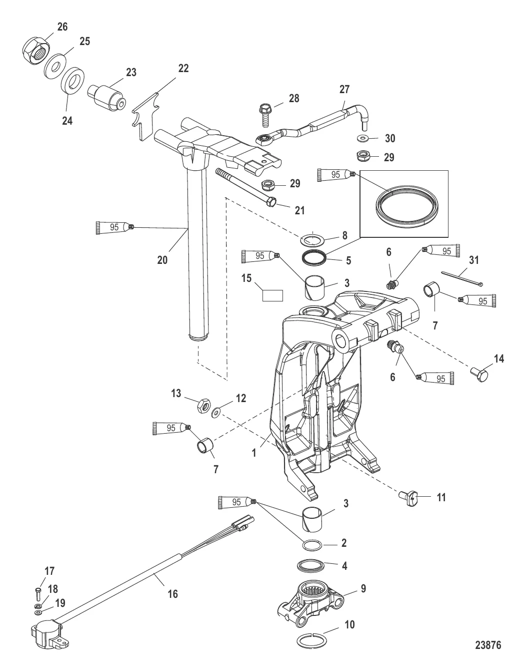
Шарнирный кронштейн и рычаг рулевого механизма
2
3
4
5
6
7
8
9
10
11
12
13
14
15
17
18
19
20
21
22
23
24
25
27
28
31

Шарнирный кронштейн и рычаг рулевого механизма

276 609 ₽

Уточняйте

3 . Втулка 818764

67669 → 818764

4 478 ₽

1 803 ₽

4 883 ₽

Уточняйте

1 139 ₽

884 ₽

21 635 ₽

561 ₽

1 623 ₽

258 ₽

571 ₽

203 ₽

Уточняйте

16 . Датчик усилителя дифферента 8M0074846

821180A6 → 821180A3 → 95164A9 → 95164A4 → 8M0074846

5 144 ₽

27 707 ₽

239 ₽

18 . Шайба 26996

20040 → 26996

140 ₽

228 ₽

128 040 ₽

21 . SCREW 8M0176309

8M0000491 → 8M0176309

1 547 ₽

1 978 ₽

26 246 ₽

741 ₽

236 ₽

900 ₽

16 472 ₽

2 549 ₽

29 . ГАЙКА (0.375-24), латунь Mercury 8M0042636

826709113 → 34863 → 20509 → 8M0042636

Уточняйте

75 ₽

45 ₽

Полезные статьи

Все статьи →
Связаться с нами