ШАРНИРНЫЙ КРОНШТЕЙН И РУКОЯТКА РУЛЕВОГО МЕХАНИЗМА — [9461526 THRU 9792199] - Belgium — купить в Victory Marine
ШАРНИРНЫЙ КРОНШТЕЙН И РУКОЯТКА РУЛЕВОГО МЕХАНИЗМА
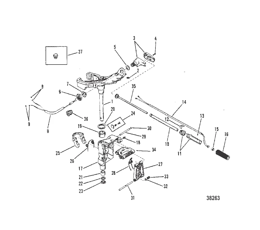
3
4
5
7
8
10
12
13
15
16
17
18
19
20
21
22
23
24
25
26
27
28
29
30
31
33
34
35
37

ШАРНИРНЫЙ КРОНШТЕЙН И РУКОЯТКА РУЛЕВОГО МЕХАНИЗМА

Уточняйте

Уточняйте

Уточняйте

14 204 ₽

Уточняйте

392 ₽

407 ₽

258 ₽

464 ₽

6 . ГАЙКА (1.00-14) Mercury 859133

34862 → 90068F2 → 90068T → 90068 → 859133

482 ₽

6 . ГАЙКА Mercury 816880

817027T → 816880

Уточняйте

Уточняйте

Уточняйте

10 550 ₽

Уточняйте

257 ₽

6 644 ₽

2 755 ₽

1 930 ₽

1 272 ₽

2 374 ₽

1 490 ₽

183 ₽

18 254 ₽

2 529 ₽

16 . РУКОЯТКА Mercury 99589003

99589 → 92770 → 99589003

Уточняйте

17 . SWIVEL BRKT-BLACK Mercury 8831A13

8831A12 → 8831A5 → 8831A13

62 798 ₽

17 . ORD 3402-8831A13 Mercury 8831A14

8831A7 → 8831A4 → 8831A2 → 8831A14

22 171 ₽

Уточняйте

Уточняйте

662 ₽

599 ₽

1 009 ₽

445 ₽

Уточняйте

1 979 ₽

978 ₽

27 . кронштейн Mercury 42082T04

420824 → 420822 → 420821 → 42082T04

5 851 ₽

1 316 ₽

6 369 ₽

131 ₽

3 622 ₽

239 ₽

311 ₽

4 391 ₽

2 718 ₽

36 . УПЛОТНИТЕЛЬНОЕ КОЛЬЦО Mercury 12602002

126021 → 12602 → 97000 → 12602002

604 ₽

325 ₽

Полезные статьи

Все статьи →
Гайды и подбор

Как правильно перевозить лодочный мотор в машине — 2Т и 4Т

Правила транспортировки двухтактных и четырёхтактных лодочных моторов в автомобиле. Почему положение при перевозке критически важно, как подготовить топливную систему и чем грозят ошибки — разбираем на примерах Mercury.

1 мин.
Обслуживание и ремонт

Покраска днища катера — антифоулинг, грунт, подготовка

Рассказываем, как правильно покрасить днище катера антифоулинговой краской. Подготовка поверхности, выбор грунта и краски, технология нанесения и типичные ошибки.

1 мин.
Гайды и подбор

ППВВП для маломерных судов — навигационные правила простым языком

Правила плавания по внутренним водным путям кажутся сложными только на первый взгляд. Разбираем основные навигационные правила для маломерных судов: приоритет, знаки, скорость, обгон и ночное плавание.

1 мин.
Связаться с нами